¡Atención, propietario de una formidable Toyota 4Runner del año 2015! ✨ Este vehículo representa la excelencia en durabilidad y rendimiento. 👍 Para abordar su servicio y reparación con la máxima precisión y aprovechando la tecnología digital, necesitas la guía técnica adecuada para tu modelo específico. 👇
Ponemos a tu disposición el Compendio de Reparación Digital y Manual de Servicio para tu Toyota 4Runner modelo 2015. Este es un recurso técnico altamente interactivo presentado en formato HTML, diseñado para una consulta ágil y eficiente. ¡Está completamente en Español y listo para Descarga Directa! 🚀
Motores aplicables:
- 4.0L (1GR-FE)
Transmisiones que aplica:
- Transmisión Automática: A750F
- Transmisiones Manual: RA61F
⚠️ REQUISITOS INDISPENSABLES DEL SISTEMA ⚠️
- Este manual solamente funciona en Ordenadores (PC) que utilicen Sistema Operativo Windows y Mac. 🪟
- Para abrir y navegar en el manual, necesitarás un Navegador Web instalado (como Google Chrome, Microsoft Edge o Internet Explorer). 🌐
- No es compatible con dispositivos móviles (teléfonos/tabletas Android o iOS). 🚫
🖱️ Beneficios del Formato HTML Interactivo (Optimizado para Windows PC y Navegador):
- 🔎 Función de Búsqueda Potente: Localiza instantáneamente cualquier información, procedimiento o código de error (DTC) dentro del manual.
- 🔗 Navegación Fluida con Enlaces: Salta fácilmente entre secciones relacionadas, diagramas y sub-procedimientos con hipervínculos.
- 🖥️ Consulta Cómoda y Clara: Disfruta de una visualización nítida y organizada directamente en la pantalla de tu ordenador.
📚 Información Detallada Incluida en Esta Guía Digital para Tu 4Runner 2015:
- 🛠️ Guías de Reparación Paso a Paso: Procedimientos exactos para el mantenimiento y las reparaciones de todos los sistemas de tu modelo 2015.
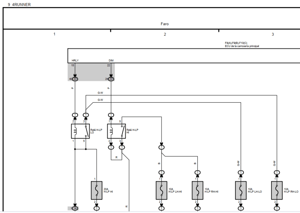
- 💡 Diagramas de Cableado Completos: Esquemas eléctricos accesibles y navegables para diagnósticos eficientes.
- 📅 Plan de Mantenimiento Detallado: Pautas precisas para el servicio periódico específico de tu 4Runner año 2015.
- 📏 Especificaciones Técnicas Clave: Accede a datos numéricos y valores de apriete necesarios para trabajos precisos.
- 🧩 Diagramas de Despiece Interactivos: Visualiza la composición de las piezas con la facilidad de navegación del formato HTML.

💰 Ventajas de Obtener Este Manual Digital (en Tu PC Windows):
- ✅ Optimiza tus Gastos: Reduce significativamente los costos de servicio profesional al realizar tú mismo el mantenimiento y ciertas reparaciones.
- 💪 Ejecuta Tareas con Confianza: La facilidad de búsqueda y navegación te dan acceso rápido a la información que necesitas justo cuando la requieres.
- 🧠 Realiza Diagnósticos Precisos: Encuentra la causa de los problemas de forma ágil y segura.
- 📈 Preserva su Valor y Durabilidad: Un mantenimiento basado en información técnica precisa protege tu inversión a largo plazo.
⬇️ ¡Descarga Directa y Rápida de Tu Manual INTERACTIVO HTML (Windows y Mac)!
Si cuentas con el equipo compatible (PC con Windows y navegador web), obtén acceso inmediato a este invaluable recurso digital en Español para tu Toyota 4Runner 2015.
Consigue el Manual de Taller Toyota 4Runner 2015 Español INTERACTIVO HTML y asume el control digital del cuidado de tu vehículo. ¡Tu aliado técnico más eficiente, optimizado para la plataforma Windows! 👍🖥️✅
▶️Video YouTube: Ver video demostrativo▶️
Manuales de taller Toyota al alcance de tu mano. Encuentra guías completas para reparar vehículos de diferentes modelos y años. Visita: Manuales Toyota.
Imágenes de ejemplo del manual de servicio Toyota 4Runner 2015 Español: Guía visual para reparaciones.




Deja un comentario