Idioma: Español
Formato: HTML interactivo (compatible con navegadores como Internet Explorer, Chrome o Edge, diseñado para Windows, enviado por email en un archivo comprimido con WinRAR o WinZIP)
Compatibilidad: Windows PC
Motores aplicables:
- 4.0L – (1GR-FE)
Transmisiones que aplica:
- Transmisión Automática: A750F
- Transmisiones Manual: RA61F
Incluye:
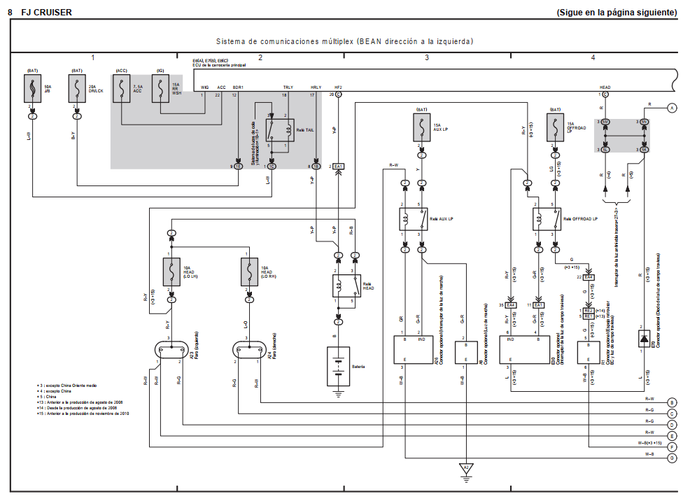
- Manual de Reparación y Diagramas eléctricos detallados para Toyota FJ Cruiser en Español (2014)
- Video explicativo en YouTube: Ver video demostrativo Interactivo Toyota.
ENLACES DE PAGO – REDIRIGIDO A PAYPAL
—————PRECIO 9,49 $—————

Repara tu Toyota como un experto. Encuentra manuales de taller para diferentes modelos y años en: Manuales Toyota.
Galería de imágenes del manual de servicio Toyota FJ Cruiser en Español 2014: Consulta técnica visual.






¿Buscas el manual de taller Toyota? Envíanos un mensaje y te lo haremos llegar.
Deja un comentario