Idioma: Español
Formato: HTML interactivo (compatible con navegadores como Internet Explorer, Chrome o Edge, diseñado para Windows, enviado por email en un archivo comprimido con WinRAR o WinZIP)
Compatibilidad: Windows PC
Motores aplicables:
- 3.0L – 1KD-FTV
- 2.5L – 2KD-FTV
- 2.7L – 2TR-FE
- 4.0L – 1GR-FE
Transmisiones que aplica:
- Automática: A340F, A343F, A750F
- Manual: R150/R151, R150F/R151F
Incluye:
- Manual de Reparación y Diagramas eléctricos detallados para Toyota Fortuner Hilux SW4 en Español (2005)
- Video explicativo en YouTube: Ver video demostrativo Interactivo Toyota.
ENLACES DE PAGO – REDIRIGIDO A PAYPAL
—————PRECIO 9,49 $—————

Encuentra manuales de reparación Toyota especializados. Guías completas para vehículos de diferentes modelos y años en: Manuales Toyota.
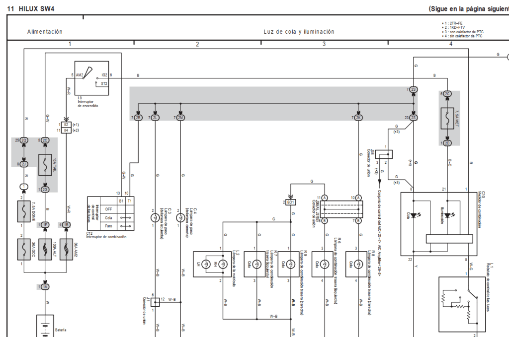
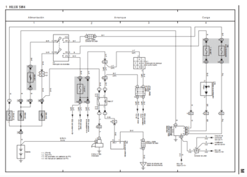
Imágenes de ejemplo del manual de servicio Toyota Fortuner Hilux SW4 2005 Español: Guía visual para entusiastas.






¿Tienes dudas sobre el taller de tu Toyota? Estamos aquí para ayudarte. Contáctanos.
Deja un comentario