Manual de Taller Toyota 4Runner 2006 – Reparación y Servicio

Si posees una Toyota 4Runner del año 2006, tienes en tus manos un vehículo reconocido por su fiabilidad y capacidades todoterreno. 👍 Para asegurar que este modelo 2006 se mantenga en su mejor forma y optimizar tus gastos en servicio técnico, la información precisa es crucial. ¡Te presentamos una solución digital! 👇

Accede a la Descarga Directa del Manual de Taller para tu Toyota 4Runner 2006. Este manual tambien es conocido como Workshop Manual Toyota 4Runner 2006. Es un manual interactivo diseñado para una consulta digital eficiente y ágil. ¡Aunque no está en formato PDF, se abre directamente con tu navegador web habitual! 🌐

Motores aplicables:

  • 4.0L (1GR-FE)
  • 4.7L (2UZ-FE)

Transmisiones que aplica: 

  • Transmisión Automática (A750E, A750F)

⚠️ REQUISITOS INDISPENSABLES DEL SISTEMA ⚠️

  • Este manual funciona exclusivamente en Ordenadores (PC) con Sistema Operativo Windows. 🪟
  • Para visualizar y navegar en el manual, necesitas abrirlo usando un Navegador Web (como Google Chrome, Microsoft Edge o el antiguo Internet Explorer).
  • No es compatible con sistemas operativos distintos a Windows, ni con la mayoría de dispositivos móviles (iOS/Android). 🚫

🖱️ Beneficios del Formato HTML Interactivo (Diseñado para PC Windows y Navegador):

  • 🔎 Búsqueda Rápida y Eficiente: Encuentra cualquier tema, procedimiento, componente o código de error (DTC) al instante.
  • 🔗 Navegación Sencilla y Vinculada: Salta entre secciones relacionadas, diagramas y referencias con facilidad.
  • 🖥️ Consulta Cómoda: Visualiza toda la información técnica de forma clara y organizada en la pantalla de tu ordenador.

📚 Información Completa Incluida en Esta Guía Digital para Tu 4Runner 2006:

  • 🛠️ Procedimientos de Servicio Paso a Paso: Guías detalladas para todas las tareas de mantenimiento y reparación específicas de tu modelo 2006 (motor V6/V8, transmisiones, 4×4, etc.).
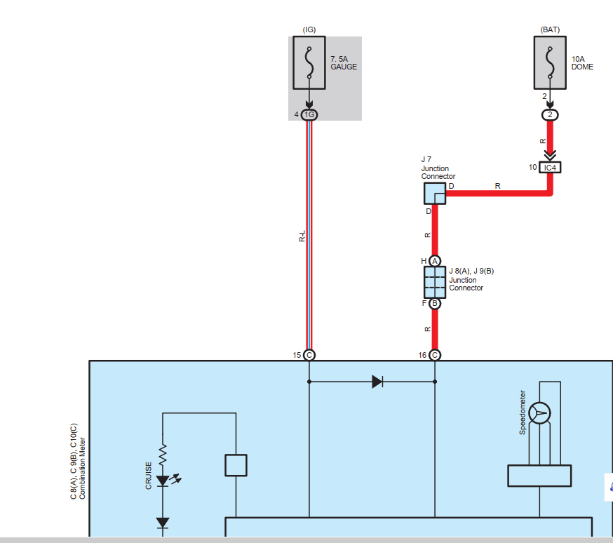
  • 💡 Esquemas de Cableado Interactivos: Consulta los diagramas eléctricos del vehículo de forma digital, facilitando el diagnóstico.
  • 📅 Plan de Mantenimiento Completo: Sigue el programa de servicio recomendado para tu 4Runner año 2006.
  • 📏 Especificaciones Técnicas y Torques: Accede a todos los datos numéricos y valores de ajuste cruciales.
  • 🧩 Diagramas de Despiece y Ensamble: Vistas ilustradas para entender la estructura y el montaje de las piezas.

💰 Ventajas de Obtener Este Manual Digital (para Usuarios de Windows PC):

  • Reduce Costos de Mantenimiento: Ahorra significativamente en servicios profesionales al tener la capacidad de hacer más tú mismo.
  • 💪 Repara con Ayuda Digital: La facilidad de acceso y búsqueda de la información te da confianza en tus tareas.
  • 🧠 Diagnóstico Preciso: Encuentra la causa de los problemas de forma ágil y segura.
  • 📈 Preserva su Valor y Durabilidad: Un mantenimiento informado protege tu inversión a largo plazo.

⬇️ ¡Acceso Inmediato – Descarga Tu Manual Interactivo HTML (Solo Windows)!

Si cumples con los requisitos (PC con Windows y navegador), obtén acceso instantáneo a este invaluable recurso digital en Español para tu Toyota 4Runner 2006.

Consigue el MANUAL TALLER TOYOTA 4RUNNER 2006 y toma el control digital del mantenimiento y reparación de tu vehículo. ¡Tu soporte técnico más eficiente, diseñado para tu PC Windows! 👍🖥️✅

▶️Video YouTube: Ver video Interactivo Toyota▶️

Manuales de taller Toyota al alcance de tu mano. Encuentra guías completas para reparar vehículos de diferentes modelos y años en: Manuales Toyota.

Fotos de referencia técnica del manual de servicio Toyota 4Runner 2006: Soporte visual práctico.

¿Tienes preguntas sobre el mantenimiento de tu Toyota? Comunícate con nosotros y te ayudaremos.

Volver

Se ha enviado tu mensaje

Advertencia
Advertencia
Advertencia
¡Aviso!

Deja un comentario