Si eres propietario de una confiable y capaz Toyota 4Runner del año 2012, tienes un vehículo diseñado para durar. ✨ Para realizar su mantenimiento y reparación con precisión y tener acceso a la información técnica oficial directamente, ¡este manual es la herramienta que necesitas! 👇
Obtén acceso a la Descarga Oficial de la Versión Interactiva del Manual de Taller para tu Toyota 4Runner 2012, tambien llamado: Workshop Manual Toyota 4Runner 2012. Esta es la documentación técnica oficial y autorizada por Toyota.
⚠️ ¡ATENCIÓN! Características y Requisitos de este Manual: ⚠️
- Idioma: El contenido técnico completo está escrito en INGLÉS. 🗣️🇺🇸🇬🇧
- Formato: Es un manual digital en formato HTML interactivo. No es un archivo PDF tradicional.
- Acceso: Para visualizar y navegar en el manual, debes usar un Navegador Web como Internet Explorer, Microsoft Edge o Google Chrome. 🌐🖱️
- Compatibilidad: Está optimizado para funcionar en ordenadores PC (sistemas Windows). El funcionamiento en otros sistemas/dispositivos con navegador no está garantizado. 🖥️
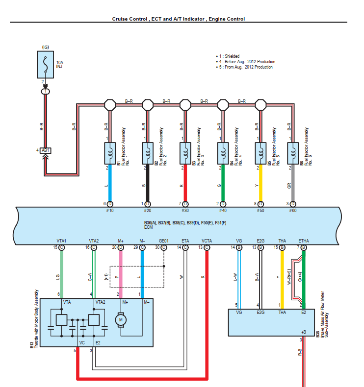
- Motores aplicables: 4.0L – (1GR-FE)
- Transmisiones aplicables: Automática (A750E, A750F)
📄 Qué Encontrarás en Esta Documentación Oficial e Interactiva (en Inglés) para Tu 4Runner 2012:
- 🛠️ Procedimientos de Servicio Detallados: Guías paso a paso (en inglés) para el mantenimiento y la reparación de todos los sistemas de tu modelo 2012.
- 💡 Diagramas de Cableado Completos y Navegables: Esquemas eléctricos claros (en inglés) accesibles directamente desde tu navegador.
- 📅 Pautas de Mantenimiento Oficiales: El programa de servicio oficial de Toyota (en inglés) específico para el año 2012.
- 📏 Especificaciones Técnicas y Pares de Apriete: Datos exactos y valores de ajuste (en inglés) proporcionados por el fabricante.
- 🧩 Diagramas de Despiece y Ensamble: Vistas ilustradas (con descripciones en inglés) con navegación interactiva para entender la composición de las partes.

💲 Beneficios Clave de Adquirir Este Manual Oficial Interactivo (en Inglés):
- ✅ Potencial de Ahorro: Reduce los gastos de taller al tener la información para realizar muchas tareas tú mismo.
- 🛡️ Información Oficial y Precisa: Tienes acceso a la documentación técnica directa de Toyota para tu modelo 2012.
- 🔎 Eficiencia con Formato Interactivo: La búsqueda rápida y la navegación en el navegador agilizan la localización de información.
- 💪 Confianza en la Reparación: Realiza tareas con la seguridad que te da una guía oficial.
⬇️ ¡Descarga Oficial y Rápida de Tu Manual Interactivo HTML (en Inglés)!
▶️Video YouTube: Ver video Interactivo Toyota▶️
Soluciona cualquier problema con tu Toyota. Encuentra manuales de taller para diferentes modelos y años en: Manuales Toyota.
Fotografías de apoyo técnico del manual de servicio Toyota 4Runner 2012: Guía visual esencial.






Deja un comentario