Si eres propietario de una excelente Toyota 4Runner del año 2015, el modelo con el diseño frontal renovado, sabes que es un vehículo hecho para la aventura y la durabilidad. ✨ Para realizar su mantenimiento y reparación con precisión y tener acceso a la documentación técnica oficial más conveniente, ¡este Workshop Manual Toyota 4Runner 2015 es para ti! 👇
Accede a la Descarga Oficial de la Versión Interactiva de este Manual de Taller para tu Toyota 4Runner 2015. Esta es la documentación de servicio y reparación oficial y autorizada por Toyota, funcionando como tu Service Manual Toyota 4Runner 2015 y tu Repair Manual Toyota 4Runner 2015 definitivo.
⚠️ ¡IMPORTANTE! Sobre Este Manual Digital: ⚠️
- Idioma: El contenido técnico detallado está totalmente en idioma INGLÉS. 🗣️
- Formato y Acceso: Es un manual digital en formato HTML con alta interactividad. No es un archivo PDF tradicional. Se visualiza directamente a través de tu Navegador Web (como Internet Explorer, Microsoft Edge o Google Chrome). 🌐🖱️
- Compatibilidad: Aunque se abre en navegadores, está diseñado principalmente y funciona óptimamente en ordenadores PC (sistemas Windows). 🖥️🪟
- Motores aplicables: 4.0L – 1GR-FE
- Transmisiones aplicables: Automática: A750E, A750F
✨ Ventajas del Formato HTML Interactivo (en Inglés y Vía Navegador):
- 🔎 Búsqueda Eficiente: Localiza rápidamente cualquier dato, procedimiento o código de error (DTC) dentro del manual.
- 🔗 Navegación Rápida con Enlaces: Salta entre secciones, diagramas y referencias con facilidad gracias a los hipervínculos.
- ⏱️ Consulta Ágil: Encuentra la información que necesitas al instante, optimizando tu tiempo en el taller.
📚 Qué Cubre Esta Documentación Oficial (en Inglés) para Tu 4Runner 2015:
Este Workshop Manual Toyota 4Runner 2015 abarca todos los detalles que necesitas:
- 🛠️ Procedimientos de Servicio Detallados: Guías paso a paso (en inglés) para el mantenimiento y la reparación de todos los sistemas de tu modelo 2015.
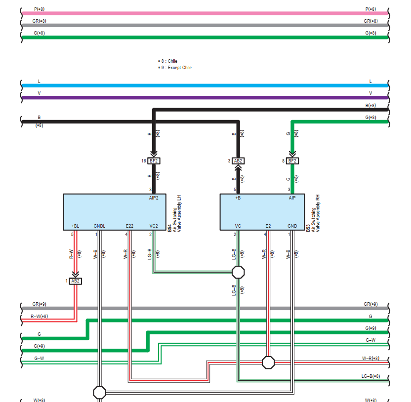
- 💡 Diagramas de Cableado Interactivos: Encuentra los Wiring Diagrams Toyota 4Runner 2015 completos y navegables, accesibles directamente desde tu navegador.
- 📅 Pautas de Mantenimiento Oficiales: El programa de servicio recomendado por Toyota (en inglés) específico para el año 2015.
- 📏 Especificaciones Técnicas y Pares de Apriete: Datos exactos y valores de ajuste (en inglés) proporcionados por el fabricante.
- 🧩 Diagramas de Despiece y Ensamble: Vistas ilustradas (con descripciones en inglés) con navegación interactiva.

💲 Beneficios Clave al Adquirir Este Manual Oficial Interactivo (en Inglés):
Tener a mano este Service Manual Toyota 4Runner 2015 te brinda grandes ventajas:
- ✅ Potencial de Ahorro: Reduce gastos de taller al tener la información para realizar muchas tareas tú mismo.
- 🛡️ Información Oficial y Autorizada: Accede a la documentación técnica directa de Toyota para tu modelo 2015.
- 💪 Confianza en la Reparación: Realiza tareas con la seguridad que te da una guía oficial precisa y fácil de navegar. Esencial para tu Repair Manual Toyota 4Runner 2015.
- 📈 Preserva su Valor y Durabilidad: Un mantenimiento adecuado basado en la información técnica oficial mantiene tu 4Runner 2015 en óptimas condiciones.
⬇️ ¡Descarga Oficial y Rápida de Tu Manual Interactivo HTML (en Inglés)!
Si te sientes cómodo consultando documentación técnica en inglés y tienes un navegador web compatible, obtén acceso inmediato a este valioso recurso oficial para tu Toyota 4Runner 2015.
Consigue el Toyota 4Runner Manual de Taller (2015) – Versión Interactiva Descarga Oficial y toma el control del mantenimiento digital de tu vehículo. ¡La guía técnica oficial interactiva que necesitas para tu 4Runner 2015, disponible vía web! 👍✨
▶️Video YouTube: Ver video Interactivo Toyota▶️
Manuales de taller Toyota completos y detallados. Encuentra guías para reparar vehículos de diferentes modelos y años en: Manuales Toyota.
Galería visual del Manual de Servicio Toyota 4Runner 2015: Imágenes de soporte técnico.






Deja un comentario