Idioma: Inglés
Formato: HTML interactivo (compatible con navegadores como Internet Explorer, Chrome o Edge, diseñado para Windows, enviado por email en un archivo comprimido con WinRAR o WinZIP)
Compatibilidad: Windows PC
Motores aplicables:
- 4.0L 1GR-FE
Transmisiones que aplica:
- Transmisión Automática (A750F)
- Transmisión Manual (RA61F)
Incluye:
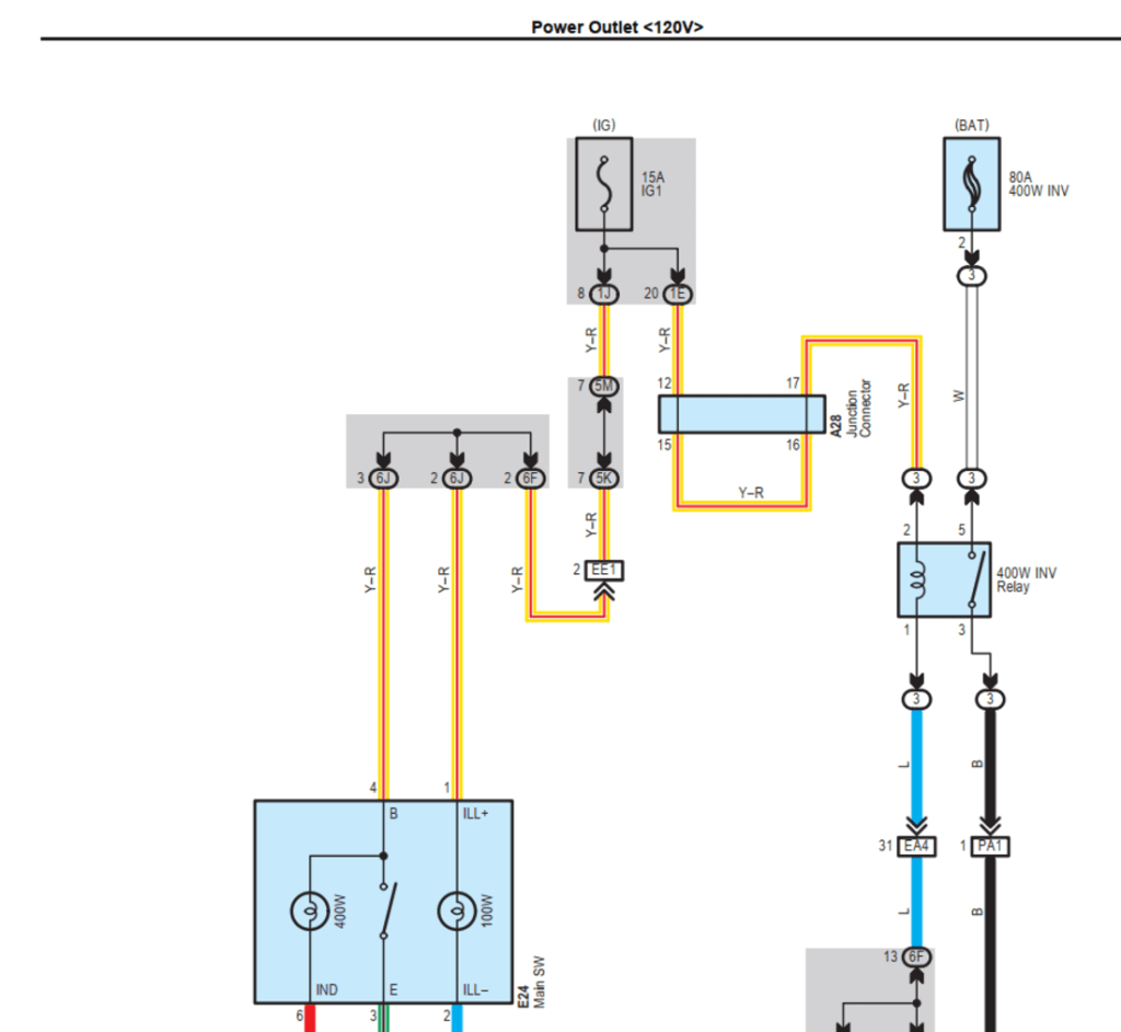
- Manual de Reparación y Diagramas eléctricos detallados para Toyota FJ Cruiser (2013)
- Video explicativo en YouTube: Ver video demostrativo Interactivo Toyota.
ENLACES DE PAGO – REDIRIGIDO A PAYPAL
—————PRECIO 9,99 $—————

Manuales de reparación Toyota completos y detallados. Encuentra guías para vehículos de diferentes modelos y años en: Manuales Toyota.
Manual de servicio Toyota FJ Cruiser 2013 en imágenes: Referencia técnica detallada.




¿Necesitas soporte técnico para tu Toyota? Escríbenos y te brindaremos la ayuda necesaria.
Deja un comentario