Manual de Servicio Interactivo Toyota Camry ACV40 (2010)
🛠️💡 VERSIÓN HTML INTERACTIVO – Manual Completo – Envío Inmediato
Obtén el manual completo en versión HTML interactivo para el Toyota Camry ACV40 2010, el sedán de clase media que combina rendimiento, confort y confiabilidad. Este manual especializado cubre todos los sistemas del vehículo del año 2010, incluyendo los dos motores disponibles y sus transmisiones automática y manual.
HTML Interactivo: El manual se visualiza directamente en tu navegador (Internet Explorer, Google Chrome, Edge) sin necesidad de software adicional. Diseñado específicamente para Windows y enviado en archivo comprimido WinRAR/WinZIP para fácil acceso y navegación instantánea.
📋 Especificaciones Técnicas
Manual completo en versión HTML interactivo para Toyota Camry ACV40 (2010)
🚗 Información del Modelo:
- Modelo: Toyota Camry
- Código: ACV40
- Año: 2010
- Versiones: Todas las versiones
- Contenido: Manual Completo Interactivo
- Formato: HTML Interactivo
- Idioma: Inglés
🖥️ Compatibilidad Técnica:
- Formato: HTML Interactivo
- Navegadores: Internet Explorer, Google Chrome, Edge
- Sistema: Windows PC
- Envío: WinRAR/WinZIP comprimido
- Entrega: Email inmediato
🔧 Motores Cubiertos
2.4L 4 Cilindros:
- Código: 2AZ-FE
- Configuración: 4 cilindros en línea 16V
- Cilindrada: 2.4L (2362cc)
- Potencia: 158 HP @ 6000 RPM
- Par motor: 220 Nm @ 4000 RPM
- VVT-i
- Inyección electrónica
- Balance perfecto
3.5L V6:
- Código: 2GR-FE
- Configuración: V6 24V
- Cilindrada: 3.5L (3456cc)
- Potencia: 268 HP @ 6200 RPM
- Par motor: 336 Nm @ 4700 RPM
- Dual VVT-i
- Alto rendimiento
- Inyección electrónica
Tecnologías Avanzadas:
- Sistema VVT-i
- Inyección electrónica
- Control electrónico avanzado
- Sistema de gestión motor
- Optimización de consumo
⚡ Transmisiones Cubiertas
🤖 Automáticas:
- U250E: 5 velocidades automáticas
- U660E: 6 velocidades automáticas
- Transmisión electrónica
- Control adaptativo
- Cambio suave
⚙️ Manual:
- E351E: 5 velocidades manuales
- Transmisión mecánica
- Cambio preciso
- Durabilidad comprobada
- Máximo control
🏁 Sistema de Tracción:
- Tracción delantera
- Sistema de embrague
- Transmisión eficiente
- Control de tracción
- Estabilidad mejorada
🎥 Ejemplo de Funcionamiento de Manuales Toyota Interactivos
Mira cómo funcionan nuestros manuales interactivos HTML – Navegación fácil y búsqueda rápida en formato web
📹 Video Demostrativo
Funcionamiento general y navegación del manual interactivo
🚀 Ventajas de la Versión HTML Interactivo
🖥️ Navegación Fácil
Abre directamente en Internet Explorer, Google Chrome o Edge sin programas adicionales.
🔍 Búsqueda Rápida
Encuentra información instantáneamente con búsqueda integrada en formato web.
📧 Envío Inmediato
Recibe el archivo comprimido WinRAR/WinZIP con el manual en tu email.
💻 Compatibilidad Windows
Diseñado específicamente para Windows PC.
🛠️ Sistemas Técnicos Incluidos
🔧 Grupo Motopropulsor:
- Motores 2.4L y 3.5L
- Transmisiones automáticas U250E, U660E
- Transmisión manual E351E
- Sistema de tracción delantera
- Sistemas de combustible
🔌 Electricidad Avanzada:
- Diagramas cableado interactivos
- Centralitas y módulos
- Sistema de gestión motor
- Iluminación y señalización
- Electrónica de confort
⚡ Sistemas Específicos Camry 2010:
- Sistema de frenos ABS
- Suspensión y dirección
- Sistema de control estabilidad
- Climatización automática
- Sistema de infoentretenimiento
📚 Contenido del Manual HTML Interactivo
🔧 Procedimientos de Reparación:
- Despiece completo motores 2.4L y 3.5L
- Transmisiones automáticas 5v y 6v
- Transmisión manual 5 velocidades
- Sistemas de frenos y suspensión
- Especificaciones de torque
- Procedimientos paso a paso
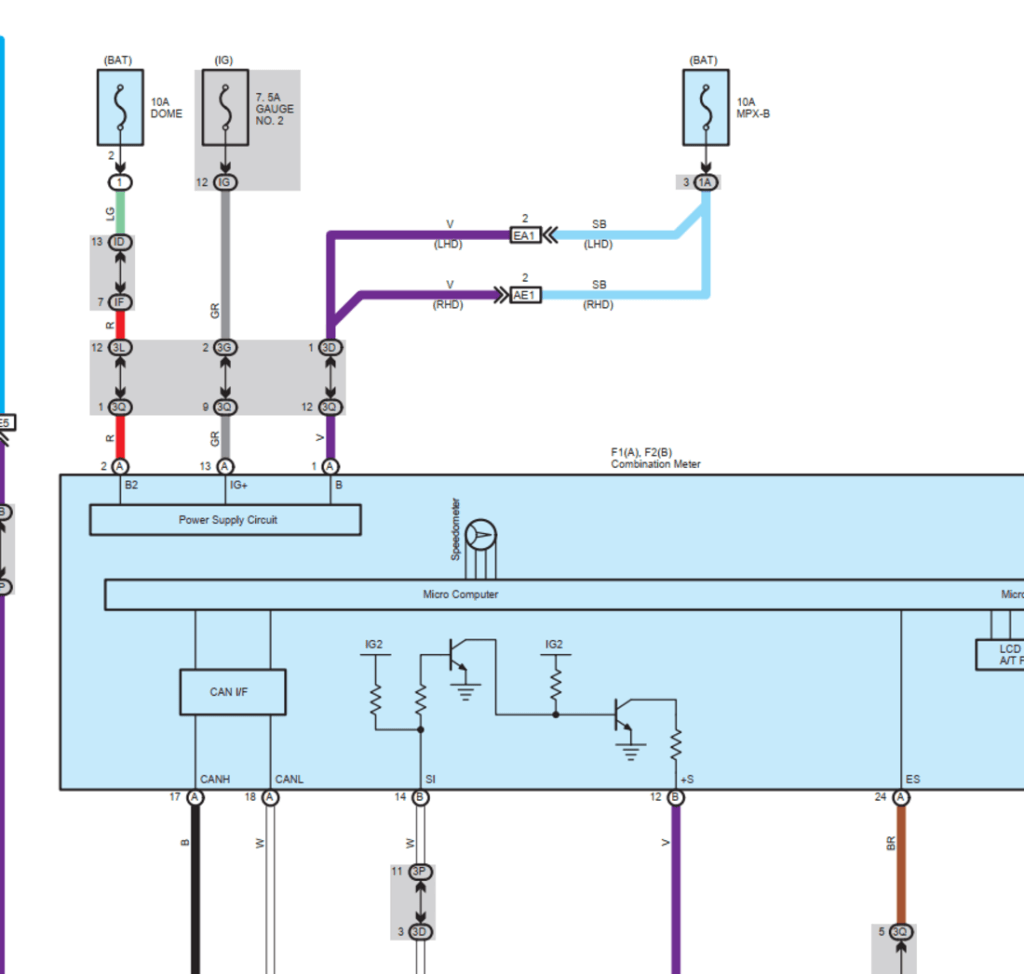
🔌 Diagramas Eléctricos:
- Esquemas completos navegables
- Centralitas electrónicas
- Sistema de carga y arranque
- Iluminación interior/exterior
- Sensores y actuadores
- Cableado completo vehículo
🚙 Especificaciones Camry 2010:
- Carrocería sedán medio
- Sistemas de climatización
- Especificaciones técnicas
- Mantenimiento programado
- Diagramas de lubricación
- Procedimientos de diagnóstico
🔧 Manuales Toyota Disponibles
Encuentra manuales de reparación especializados para todos los modelos y años de Toyota.
🚗 Sedanes:
- Camry ACV40 (2010)
- Camry ACV40 (2011)
- Camry ASV50 (2012)
- Corolla (2008-2013)
🚙 SUV y Camionetas:
- RAV4 (2006-2012)
- 4Runner (2010-2023)
- Highlander (2008-2013)
- Land Cruiser (2008-2021)
🚚 Pickups y Comerciales:
- Tundra (2007-2013)
- Tacoma (2005-2015)
- Hilux (2005-2015)
- Hiace (2013-2019)
🔒💳 Compra Segura via PayPal
⚡ Pago Rápido
Redirección directa a PayPal para una transacción segura y sin complicaciones.
🔒 Máxima Seguridad
PayPal garantiza la protección total de tus datos financieros y personales.
💳 Múltiples Métodos
Paga con tu cuenta PayPal o cualquier tarjeta de crédito/débito asociada.
🚀 Manual Interactivo HTML por Solo $9.99
🛠️ HTML Interactivo • ⚡ Motores 2.4L/3.5L • 🔧 Transmisiones Automática y Manual • 🔌 Compatible Navegadores Web
👉 Explorar Todos los Manuales Toyota
Imágenes de guía técnica del manual de servicio Toyota Camry ACV40 2010: Consulta visual para talleres.




¿Necesitas asesoría técnica para tu Toyota? Escríbenos y te brindaremos soporte especializado.
Deja un comentario