Idioma: Inglés
Formato: PDF (enviado por email)
Compatibilidad: Windows, Android, iOS (requiere lector de PDF)
Motores aplicables:
- 3.7L (6 Cilindros Gasolina MPI)
- 2.4L (4 Cilindros Gasolina MPI)
- 2.8L (4 Cilindros CRD Diesel)
Transmisiones que aplica:
- Automática: 45RFE, 42RLE
- Manual: NV1500, NV3550
- Caja de Cambios: NV231, NV242
Incluye:
- Manual de Reparación y Diagramas eléctricos detallados para Jeep Cherokee Liberty KJ 2001-2007
ENLACES DE PAGO – REDIRIGIDO A PAYPAL
—————PRECIO 8,99 $—————

Manuales de taller para todas tus necesidades. Encuentra guías completas para vehículos de diferentes modelos y años en: Manuales Jeep.
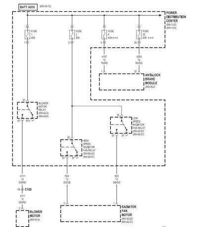
Ejemplos visuales del manual de servicio Jeep Cherokee Liberty KJ 2001-2007.






¿Necesitas ayuda o información? Estamos a un mensaje de distancia. ¡Escríbenos!
Deja un comentario