Dodge Ram (2001): Manual de Taller y Diagramas Eléctricos en PDF 🛠️💡
1. La Guía Esencial para la Reparación de Servicio Pesado 🧑🔧
Si eres dueño de una Dodge Ram 1500, 2500 o 3500 modelo 2001 o un técnico profesional, este Manual de Taller Digital es la documentación oficial que garantiza un servicio impecable. Obtendrás la precisión de ingeniería de fábrica para abordar cualquier tarea, desde el mantenimiento estándar hasta las reparaciones más complejas del motor y la transmisión. Deja de lado las suposiciones; con esta guía en PDF, trabajarás con la máxima exactitud y fiabilidad.
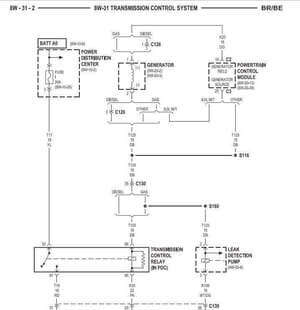
Este manual es exhaustivo, cubriendo la mecánica de una formidable lista de propulsores: desde el 3.9L V6 y los V8 de gasolina (5.2L y 5.9L), hasta el robusto 5.9L Cummins Turbo Diésel y el potente 8.0L V10. Incluye procedimientos detallados para las transmisiones automáticas 47RE, 42RE y 46RE y las manuales NVG4500, NVG3500 y NVG5600. Su mayor valor son los diagramas eléctricos completos 🔌, que son cruciales para el diagnóstico infalible de fallas en el motor, el sistema de tracción y el cableado complejo.
2. Cobertura Técnica, Formato y Compatibilidad 🖥️
Aquí tienes un resumen detallado de la cobertura técnica y la accesibilidad de este recurso digital:
| Aspecto | Descripción Técnica |
| Modelos/Años Cubiertos | Dodge Ram 1500, 2500, 3500, Año 2001 |
| Motores Principalmente Cubiertos | 3.9L, 5.2L, 5.9L V8, 5.9L Cummins Diésel (ETC) y 8.0L V10 |
| Transmisiones Cubiertas | Automáticas 4 Vel. (47RE, 42RE, 46RE) y Manuales 5/6 Vel. (NVG4500, NVG3500, NVG5600) |
| Tipo de Documento | Manual de Taller (Service Manual) con Diagramas Eléctricos |
| Lenguaje del Contenido | Inglés 🇬🇧 (Documentación de ingeniería de fábrica) |
| Formato de Archivo | PDF (Listo para descargar) |
| Compatibilidad Universal | Se abre fácilmente en Windows, Mac, iOS y Android usando cualquier lector PDF. |
3. Rendimiento Superior en Diagnóstico con el PDF 🚀
La utilización de esta guía técnica en formato PDF ofrece beneficios operativos directos para tu flujo de trabajo:
- Soporte Móvil en Tareas Pesadas: Carga el manual completo en tu tablet o smartphone 📱. Esto te permite tener las especificaciones del motor Cummins o los diagramas eléctricos a pie de vehículo, minimizando el tiempo de inactividad.
- Diagnóstico Eléctrico Visual y Claro: Los diagramas de cableado se benefician enormemente del formato digital. Puedes usar la función de zoom para inspeccionar con nitidez los colores de los cables y los conectores, esencial para resolver fallas electrónicas complejas.
- Búsqueda Instantánea de Datos Críticos: Utiliza la función de búsqueda de texto para encontrar al instante cualquier valor de torque, código de error, o procedimiento de desmontaje, optimizando tu tiempo de servicio. 🔎
4. Proceso de Adquisición Fácil y Garantía de Descarga 🔒📧
Adquirir este Manual de Taller Dodge Ram es un proceso diseñado para la seguridad y la inmediatez:
- Seguridad en el Pago: Finaliza tu compra con total confianza. Aceptamos las principales tarjetas de crédito/débito y PayPal, garantizando que tu información financiera está blindada. 💳
- Entrega Vía Email: Tras la confirmación del pago, el sistema genera automáticamente el enlace de descarga del archivo PDF y te lo envía directamente a tu correo electrónico.
- Acceso Inmediato: Revisa tu bandeja de entrada; el Manual PDF estará disponible para descargar en cuestión de minutos ⚡. Podrás guardarlo y usarlo en todos tus dispositivos sin restricciones.
- Asistencia Directa: Si tienes cualquier dificultad con la descarga o necesitas ayuda con el archivo, nuestro equipo de soporte está disponible para asistirte de inmediato.
Todo lo que necesitas para reparar tu vehículo. Encuentra manuales de taller para diferentes modelos y años en: Manuales Dodge
Ejemplos fotográficos del manual de servicio Dodge Ram (2001).






¿Tienes dudas o comentarios? Estamos aquí para escucharte. Escríbenos.
Deja un comentario