Reparación Dodge Ram (1500-2500-3500): Manual de Taller PDF 2004 + Diagramas Eléctricos

Dodge Ram (2004): Manual de Taller y Diagramas Eléctricos en PDF 🛠️💡


1. La Fuente de Información Oficial para el Servicio Pesado 🧑‍🔧

Para el propietario de una Dodge Ram 1500, 2500 o 3500 modelo 2004, este Manual de Taller Digital es la fuente de información oficial para cualquier tarea. Obtendrás la documentación de ingeniería exacta, esencial para ejecutar el mantenimiento, servicio o reparaciones mayores con la precisión de fábrica. Confía solo en la información del fabricante para mantener la robustez y el rendimiento de tu Ram.

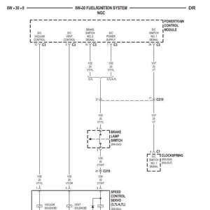
Este manual es completísimo, cubriendo una formidable lista de motores: el 3.7L V6, el 4.7L V8, el potente 5.7L HEMI, y las cruciales variantes del 5.9L Cummins Turbo Diésel (ETC y ETH). Detalla con exactitud todas las transmisiones, incluyendo las automáticas 45RFE y 48RE y las manuales NVG4500, NVG3500, NVG5600 y Tremet T56. Lo más importante es que incluye todos los diagramas eléctricos 🔌. Estos planos son indispensables para diagnosticar y solucionar fallas en el motor, el sistema de tracción y el cableado complejo.


2. Detalles Técnicos y Formato de Entrega 🖥️

A continuación, se presenta un resumen de la cobertura y la accesibilidad de este recurso digital:

AspectoDescripción Detallada
Modelos/Años CubiertosDodge Ram 1500, 2500, 3500, Año 2004
Motores Principalmente Cubiertos3.7L, 4.7L, 5.7L HEMI y 5.9L Cummins Diésel (ETC y ETH)
Transmisiones CubiertasAutomáticas 4 Vel. (45RFE, 48RE) y Manuales 5 y 6 Vel. (NVG4500, NVG3500, NVG5600, T56)
Tipo de DocumentoManual de Taller (Service Manual) y Diagramas de Cableado
Lenguaje del ContenidoInglés 🇬🇧 (Documentación técnica original)
Formato de ArchivoPDF (Listo para descargar)
CompatibilidadSe abre sin problemas en Windows, Mac, iOS y Android con cualquier lector PDF.

3. Rendimiento en el Taller Optimizado con PDF 🚀

El formato de este manual digital te ofrece beneficios operativos directos que mejoran tu eficiencia:

  • Soporte de Campo Móvil: Carga el manual completo en tu tablet o móvil 📱. Esto te permite tener las especificaciones del motor Cummins o los procedimientos de la transmisión justo a pie de vehículo, eliminando viajes a la PC del taller.
  • Diagnóstico Eléctrico Visual: La sección de diagramas eléctricos se beneficia enormemente del formato PDF. Puedes usar la función de zoom para inspeccionar con nitidez los colores de los cables y los conectores, lo que es crítico para resolver fallas electrónicas de manera precisa.
  • Acceso Instantáneo a Especificaciones: Utiliza la función de búsqueda de texto para encontrar al instante los valores de torque, las presiones de fluidos o los códigos de error, transformando minutos de búsqueda en segundos. 🔎

4. Proceso de Adquisición Sin Riesgos y Expedito 🔒📧

Obtener tu Manual de Taller Dodge Ram es un proceso diseñado para tu total seguridad y conveniencia:

  1. Garantía de Pago Seguro: Realiza tu compra con confianza. Aceptamos PayPal y las principales tarjetas de crédito/débito, protegiendo tus datos financieros. 💳
  2. Entrega Rápida y Directa: Nuestro sistema automatizado te enviará el enlace de descarga del archivo PDF directamente a tu correo electrónico justo después de confirmar el pago.
  3. Descarga Inmediata y Permanente: Revisa tu bandeja de entrada; el Manual PDF estará listo para descargar en pocos minutos ⚡. Podrás guardarlo y usarlo en todos tus dispositivos sin restricciones.
  4. Soporte Dedicado: Si tienes cualquier duda sobre la descarga o la compatibilidad del archivo, nuestro equipo de soporte está disponible para asistirte de inmediato.

Repara tu vehículo como un profesional. Encuentra manuales de taller para diversos modelos y años en nuestra sección: Manuales Dodge

Imágenes detalladas del manual de servicio Dodge Ram (2004).

¿Tienes algo que preguntar? Estamos aquí para responder. Contáctanos.

Volver

Se ha enviado tu mensaje

Advertencia
Advertencia
Advertencia
¡Aviso!

Deja un comentario