Idioma: Inglés
Formato: PDF (enviado por email)
Compatibilidad: Windows, Android, iOS (requiere lector de PDF)
Motores aplicables:
- 1.8L Gasolina (QG18DE)
- 2.5L Gasolina (QR25DE)
Transmisiones aplicables:
- Manual de 5 Velocidades
- Manual de 6 Velocidades
- Automática de 4 Velocidades
Incluye:
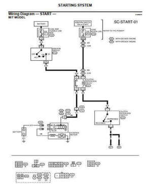
- Manual de Reparación y Diagramas eléctricos detallados para Nissan Sentra B15 (2002-2006).
ENLACES DE PAGO – REDIRIGIDO A PAYPAL
—————PRECIO 7,99 $—————

💰 ¿Gastar en el taller? Mejor invierte en el manual correcto.
Antes de pagar por reparaciones costosas, consulta nuestros manuales Nissan y aprende a solucionarlo tú mismo.
📌 Tenemos desde el Note hasta la Patrol.
🛠️ [Ahorra tiempo y dinero chequea nuestra seccion Manuales Nissan]
Manual de reparación Nissan Sentra B15 2002-2006: Imágenes de torque y especificaciones






¿Listo para resolver tus dudas? Escríbenos ahora mismo.
Deja un comentario