Manual de Taller y Servicio Toyota Fortuner Hilux SW4 2014 Español

Idioma: Español
Formato: Versión HTML (Interactivo, abre con navegadores como Chrome, Edge o Firefox, compatible con Windows, se envía por correo electrónico en un archivo comprimido WinRAR o WinZIP).
Compatibilidad: Windows PC
Motores aplicables:

  • 3.0L (1KD-FTV)
  • 2.5L (2KD-FTV)
  • 2.7L (2TR-FE)
  • 2.7L (2TR-FBE)
  • 4.0L (1GR-FE)

Transmisiones que aplica: 

  • Transmisión Automática: A340E, A340F, A343E, A750E, A750F
  • Transmisiones Manual: R150/R151, R150F/R151F

Incluye:

ENLACES DE PAGO – REDIRIGIDO A PAYPAL

—————PRECIO 9,49 $—————

Manuales de reparación Toyota especializados. Encuentra guías completas para vehículos de diferentes modelos y años en: Manuales Toyota.

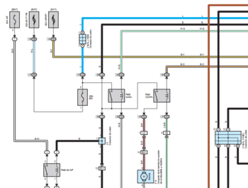
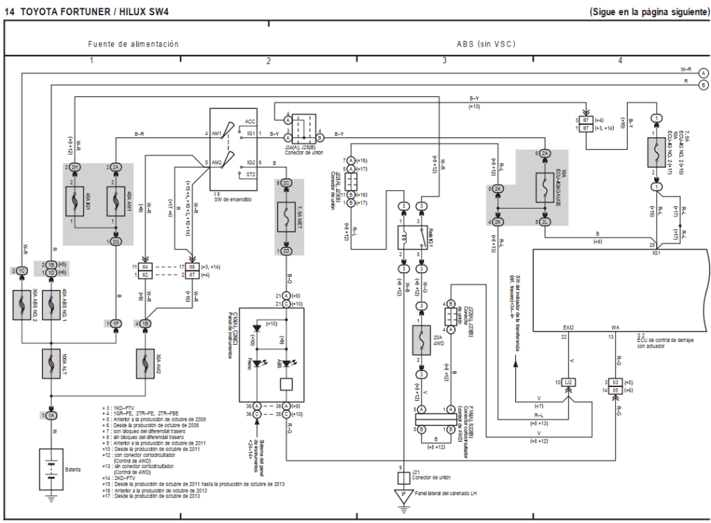
Galería visual del manual de servicio Toyota Fortuner Hilux SW4 2014 Español: Fotos técnicas y explicativas.

¿Tienes preguntas sobre el mantenimiento de tu Toyota? Comunícate con nosotros y te guiaremos.

Volver

Se ha enviado tu mensaje

Advertencia
Advertencia
Advertencia
¡Aviso!

Deja un comentario