Manual de Taller y Servicio Toyota Hilux 2005-2012 Español

Idioma: Español
Formato: Versión HTML (Interactivo, abre con navegadores web como Chrome, Edge o Firefox, funciona en sistemas Windows, se envía por correo electrónico en un archivo comprimido WinRAR o WinZIP)
Compatibilidad: Windows PC
Motores aplicables:

  • 3.0L (1KD-FTV)
  • 2.5L (2KD-FTV)
  • 2.0L (1TR-FE)
  • 2.7L (2TR-FE)
  • 3.0L (5L-E)
  • 4.0L (1GR-FE)

Transmisiones que aplica: 

  • Transmisión Automática: A340E, A340F, A750E, A750F
  • Transmisiones Manual: G58, G58F, G50/G55, R150/R151, R150F/R151F

Incluye:

  • Manual de Reparación y Diagramas eléctricos detallados para Toyota Hilux en Español (2005-2012)

ENLACES DE PAGO – REDIRIGIDO A PAYPAL

—————PRECIO 8,99 $—————

 Manuales de reparación Toyota especializados. Encuentra guías completas para vehículos de diferentes modelos y años en: Manuales Toyota.

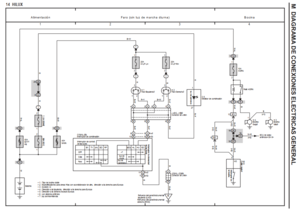
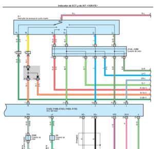
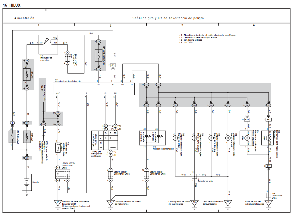
Ejemplos visuales del manual de servicio Toyota Hilux en Español 2005-2012: Imágenes para reparaciones y mantenimiento.

¿Tienes preguntas sobre reparaciones de Toyota? Comunícate con nosotros y te guiaremos.

← Volver

Gracias por tu respuesta. ✨

Deja un comentario