Idioma: Español
Formato: Versión HTML (Interactivo, abre con navegadores como Chrome, Edge o Firefox, compatible con Windows, se envía por correo electrónico en un archivo comprimido WinRAR o WinZIP)
Compatibilidad: Windows PC
Motores aplicables:
- 3.0L (1KD-FTV)
- 2.5L (2KD-FTV)
- 2.0L (1TR-FE)
- 2.7L (2TR-FE)
- 3.0L (5L-E)
- 4.0L (1GR-FE)
Transmisiones que aplica:
- Transmisión Automática: A340E, A343E, A750F
- Transmisiones Manual: R150, R151, R156, R150F, R151F, R156F, G58F
Incluye:
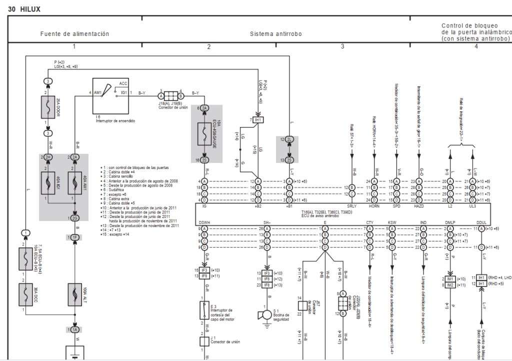
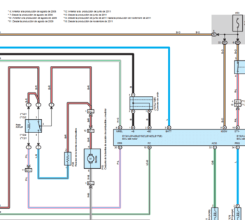
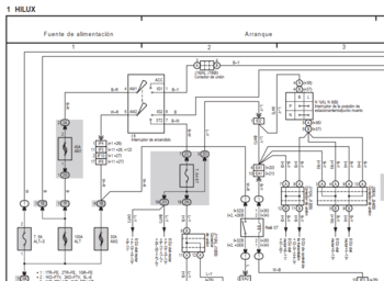
- Manual de Reparación y Diagramas eléctricos detallados para Toyota Hilux en Español (2012)
- Video explicativo en YouTube: Ver video demostrativo Interactivo Toyota.
ENLACES DE PAGO – REDIRIGIDO A PAYPAL
—————PRECIO 8,99 $—————

Manuales de taller Toyota al alcance de tu mano. Encuentra guías completas para reparar vehículos de diferentes modelos y años en: Manuales Toyota.
Manual de servicio Toyota Hilux 2012 Español en imágenes: Soporte técnico para reparaciones.






¿Necesitas asesoría técnica para tu Toyota? Escríbenos y te brindaremos soporte especializado.
Deja un comentario