Si eres propietario de una formidable Toyota Land Cruiser J200 del año 2010, tienes un vehículo que combina lujo, capacidad todoterreno y durabilidad excepcional. ✨ Para realizar su mantenimiento y reparación con la máxima precisión y tener la documentación técnica oficial a tu alcance de forma conveniente, ¡este manual es tu aliado! 👇
Accede a la Descarga Oficial Interactiva del Manual de Taller para tu Toyota Land Cruiser J200 (2010). Esta es la documentación de servicio y reparación oficial y autorizada por Toyota, presentada en un formato digital moderno y completamente en idioma Español. 🇪🇸✅
✨ Descubre las Ventajas de Este Manual Interactivo (en Español):
- 🔎 Búsqueda Rápida y Eficiente: Encuentra cualquier tema, procedimiento o componente al instante dentro del manual, todo en tu idioma.
- 🔗 Navegación Fluida y Vinculada: Salta fácilmente entre secciones, diagramas y referencias con un simple clic.
- 🖱️ Consulta Cómoda: Disfruta de la información técnica de forma organizada y accesible digitalmente.
📚 Qué Incluye Esta Documentación Oficial en Español:
Este Manual de Taller Toyota Land Cruiser J200 (2010) Español es una guía completa que abarca:
- 🛠️ Procedimientos de Servicio Detallados: Guías paso a paso (en español) para el mantenimiento y la reparación de todos los sistemas de tu modelo 2010. Funciona como tu Manual de Servicio Toyota Land Cruiser J200 (2010) Español.
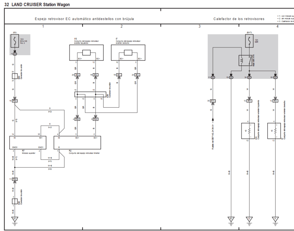
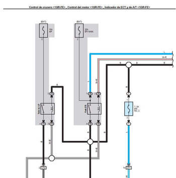
- 💡 Esquemas Eléctricos Interactivos: Accede a los Diagramas Eléctricos Toyota Land Cruiser J200 (2010) Español completos y navegables.
- 📅 Pautas de Mantenimiento Oficial: El programa de servicio recomendado por Toyota (en español) específico para el año 2010.
- 📏 Especificaciones Técnicas y Torques: Datos exactos y valores de ajuste (en español) proporcionados por el fabricante.
- 🧩 Diagramas de Despiece y Ensamble: Vistas ilustradas (con descripciones en español) con navegación interactiva.
- ⚙️ Motores Aplicables: 4.0L (1GR-FE); 4.5L (1VD-FTV); 4.7L (2UZ-FE); 5.7L (3UR-FE)
- 🔩 Transmisiones aplicables: Automática: AB60F, A750F; Manual: H150F

💲 Beneficios Clave al Adquirir Este Manual Oficial Interactivo (en Español):
Tener a mano este Manual de Reparación Toyota Land Cruiser J200 (2010) Español te proporciona ventajas significativas:
- ✅ Potencial de Ahorro: Reduce los gastos de taller al tener la información para realizar muchas tareas tú mismo.
- 🛡️ Información Oficial y Autorizada: Accede a la documentación técnica directa de Toyota para el modelo 2010, en tu idioma.
- 💪 Confianza en la Reparación: Realiza tareas con la seguridad que te da una guía oficial precisa, interactiva y en español.
- 📈 Preserva su Valor y Durabilidad: Un mantenimiento adecuado basado en la información técnica oficial mantiene tu J200 (2010) en óptimas condiciones.
⬇️ ¡Descarga Oficial Interactiva (en Español) Ahora!
Obtén acceso inmediato a este valioso recurso oficial en Español y en formato interactivo para tu Toyota Land Cruiser (2010).
Consigue el Toyota Land Cruiser J200 (2010) Español – Interactivo Descarga Oficial y toma el control del mantenimiento digital de tu vehículo. ¡La guía técnica oficial interactiva que necesitas para tu 2010, disponible al instante en tu idioma! 👍✨
▶️Video YouTube: Ver video Interactivo Toyota▶️
Todo lo que necesitas para reparar tu Toyota está aquí. Encuentra manuales de taller en: Manuales Toyota.
Fotografías de apoyo del manual de servicio Toyota Land Cruiser J200 en Español 2010: Soporte técnico en imágenes.






Deja un comentario