Idioma: Inglés
Formato: HTML interactivo (compatible con navegadores como Internet Explorer, Chrome o Edge, diseñado para Windows, enviado por email en un archivo comprimido con WinRAR o WinZIP)
Compatibilidad: Windows PC
Motores aplicables:
- 1GR-FE – 4.0L
Transmisiones que aplica:
- Automática – A750F
- Manual – RA61F
Incluye:
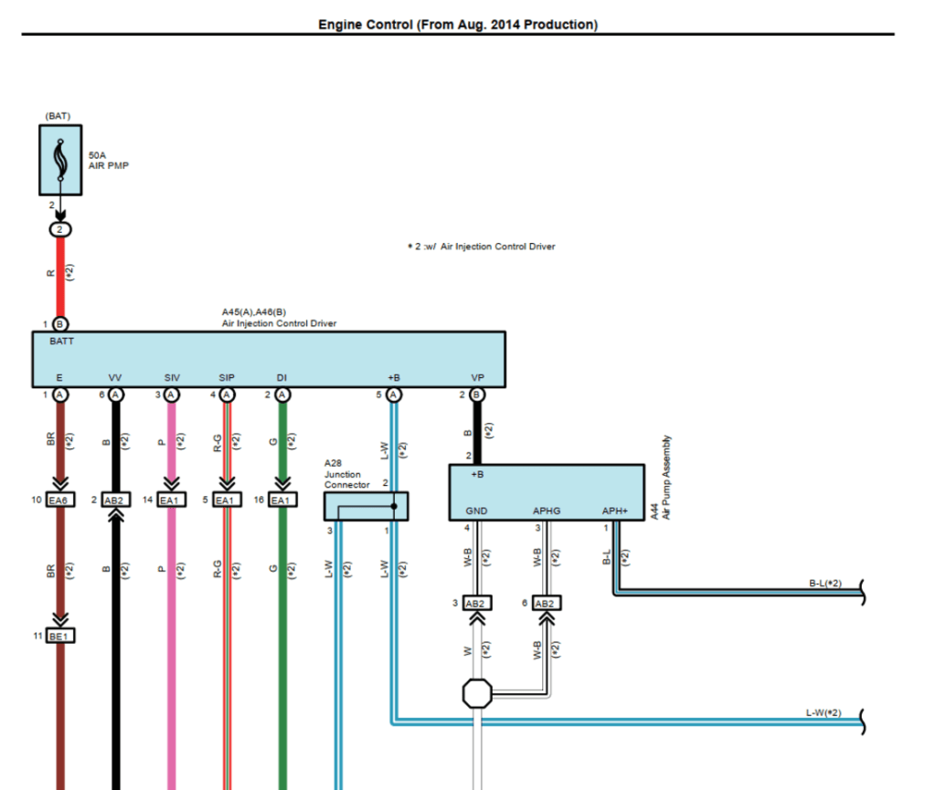
- Manual de Reparación y Diagramas eléctricos detallados para Toyota FJ Cruiser (2015)
- Video explicativo en YouTube: Ver video demostrativo Interactivo Toyota.
ENLACES DE PAGO – REDIRIGIDO A PAYPAL
—————PRECIO 9,99 $—————

Manuales de taller Toyota especializados. Guías completas para reparar vehículos de diferentes modelos y años en: Manuales Toyota.
Fotografías de ejemplo del manual de servicio Toyota FJ Cruiser 2015: Soporte técnico en fotos.




¿Buscas el manual de taller para tu Toyota? Envíanos un mensaje y te lo facilitaremos.
Deja un comentario