Si eres el propietario de una Toyota Land Cruiser Prado del año 2012 (serie J150), un vehículo que destaca por su equilibrio entre capacidad, tecnología y confort, sabes que un mantenimiento preciso es clave para mantenerlo en óptimas condiciones. ✨ Para realizar el servicio y las reparaciones con la información técnica correcta a tu alcance al instante, ¡este manual es tu herramienta esencial! 👇
Obtén acceso a la Descarga Directa de la Versión Interactiva de este manual técnico. Este documento funciona como el Workshop Manual Toyota Land Cruiser Prado J150 (2012), el Service Manual Toyota Land Cruiser Prado J150 (2012), y el Repair Manual Toyota Land Cruiser Prado J150 (2012), todo en un formato digital moderno.
⚠️ ¡INFORMACIÓN IMPORTANTE sobre este Manual! ⚠️
- Idioma: El contenido técnico completo está escrito íntegramente en INGLÉS. 🗣️🇺🇸🇬🇧 No está en español.
- Formato: Es un manual digital interactivo (generalmente HTML o similar).
- Acceso: Se visualiza usando un Navegador Web (como Internet Explorer, Microsoft Edge o Google Chrome) en tu ordenador, o mediante una aplicación compatible.
- Motores Aplicables: 4.0L (1GR-FE); 3.0L (1KD-FTV); 2.7L (2TR-FE); 3.0L (5L-E)
- Transmisiones aplicables: Automática: A343F, A750F; Manual: RA61F, G52F, R150F
📚 Qué Incluye Esta Documentación Técnica Interactiva (en Inglés) para Tu Prado 2012:
Este manual cubre todos los detalles que necesitas para tu Prado 2012:
- 🛠️ Procedimientos de Servicio y Reparación: Guías paso a paso (en inglés) para cada tarea en tu modelo 2012.
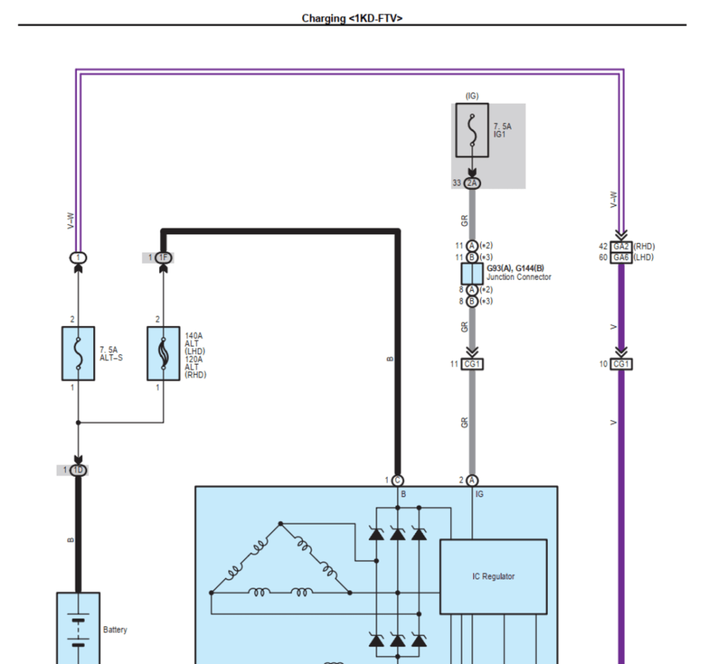
- 💡 Diagramas Eléctricos: Incluye los Wiring Diagrams Toyota Land Cruiser Prado J150 (2012) completos y navegables.
- 🔌 Detalles Específicos: Encuentra información precisa sobre la ECU Toyota Land Cruiser Prado J150 (2012) y el Pinout Toyota Land Cruiser Prado J150 (2012), esenciales para diagnósticos eléctricos y electrónicos (contenido en inglés).
- 📅 Pautas de Mantenimiento: El programa de servicio recomendado por Toyota (en inglés) para el año 2012.
- 📏 Especificaciones Técnicas: Datos exactos y valores de ajuste (en inglés).
- 🧩 Diagramas de Despiece: Vistas ilustradas (con descripciones en inglés).

💲 Ventajas Clave de Obtener Este Manual Interactivo (en Inglés):
- ✅ Ahorro Potencial: Reduce gastos de taller al tener la información para hacer el trabajo tú mismo.
- 👍 Confianza en la Reparación: Realiza tareas con la seguridad que te da una guía detallada y precisa (aunque esté en inglés).
- 🧠 Diagnóstico Eficiente: Encuentra la información que necesitas de forma rápida gracias al formato interactivo.
- 📈 Preserva su Valor y Durabilidad: Un mantenimiento adecuado protege tu inversión.
⬇️ ¡Descarga Directa de Tu Manual Interactivo (en Inglés) Ahora!
Si te sientes cómodo trabajando con documentación técnica en inglés, obtén acceso inmediato a este valioso recurso digital para tu Toyota Land Cruiser Prado 2012.
Consigue el Manual de Taller Toyota Land Cruiser Prado 2012 – Descarga Directa y toma el control digital del mantenimiento de tu vehículo. ¡La guía técnica interactiva que necesitas para tu Prado 2012, disponible al instante en inglés! 👍✨
▶️Video YouTube: Ver video Interactivo Toyota▶️
Manuales de taller Toyota especializados. Guías completas para reparar vehículos de diferentes modelos y años en: Manuales Toyota.
Galería de imágenes del manual de servicio Toyota Land Cruiser Prado J150 2012: Referencia técnica visual.






¿Necesitas información sobre reparaciones de Toyota? Contáctanos y te la proporcionaremos.
Deja un comentario