Idioma: Español
Formato: HTML interactivo (compatible con navegadores como Internet Explorer, Chrome o Edge, diseñado para Windows, enviado por email en un archivo comprimido con WinRAR o WinZIP).
Compatibilidad: Windows PC
Motores aplicables:
- 1.0L – 1KR-FE
- 1.3L – 2NZ-FE
- 1.3L – 2SZ-FE
- 1.4L – 1ND-TV / D-4D
- 1.5L – 1NZ-FE
- 1.8L – 2ZR-FE
Transmisiones que aplica:
- Automática: U340E, U441E
- Manual: C53, C54, C56, C551 – C53A (Modo Múltiple), C551A (Modo Múltiple)
Incluye:
- Manual de Reparación y Diagramas eléctricos detallados para Toyota Yaris NCP90 (2006-2013) en Español
- Video explicativo en YouTube: Ver video demostrativo Interactivo Toyota.
ENLACES DE PAGO – REDIRIGIDO A PAYPAL
—————PRECIO 9,49 $—————

Manuales de taller Toyota completos y detallados. Encuentra guías para reparar vehículos de diferentes modelos y años en: Manuales Toyota.
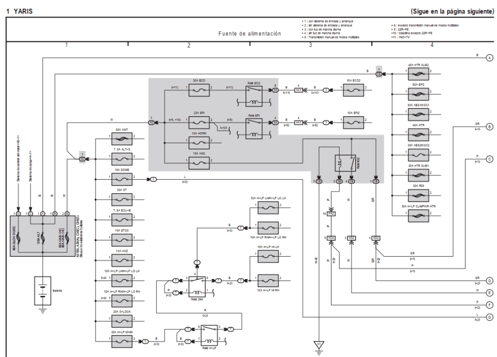
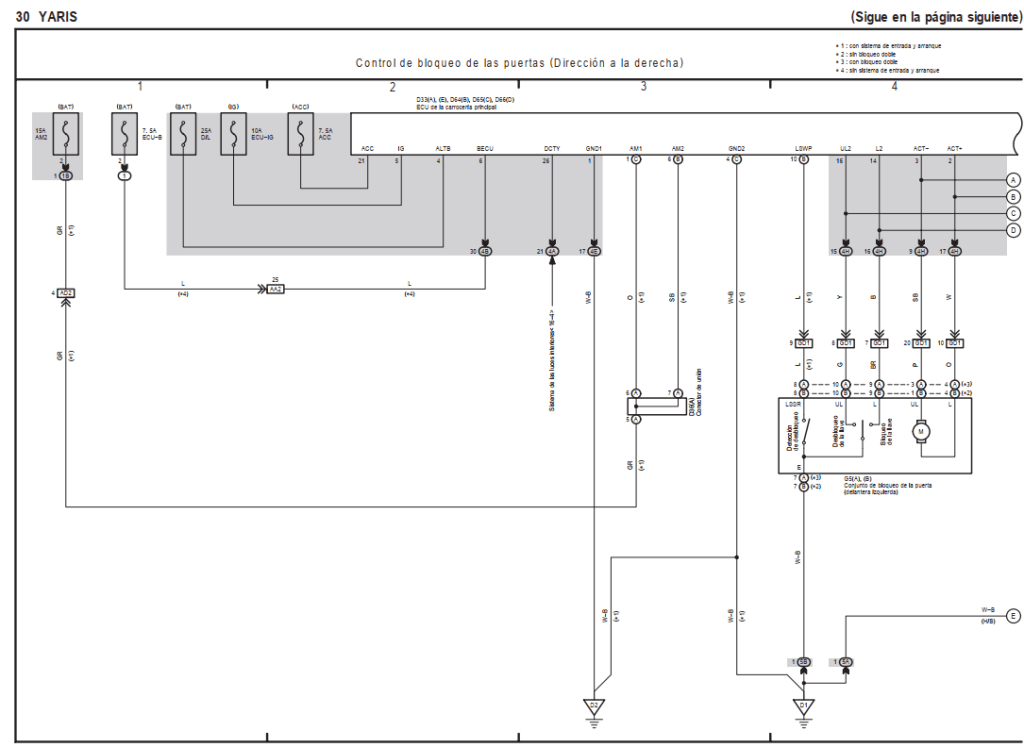
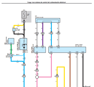
Manual de servicio Toyota Yaris NCP90 2006-2013 Español: Imágenes de referencia para reparaciones y mantenimiento.






¿Buscas el manual de taller para tu Toyota? Envíanos un mensaje y te lo facilitaremos.
Deja un comentario