Manual de Reparación Oficial Interactivo Toyota Yaris NCP90 (2013) Incluye Diagramas Eléctricos

Manual de Taller Toyota Yaris NCP93 (2013)

🛠️💡 VERSIÓN HTML INTERACTIVO – Manual Completo – Envío Inmediato

Obtén el manual completo en versión HTML interactivo para el Toyota Yaris NCP93 2013, el compacto confiable que combina eficiencia, durabilidad y facilidad de manejo. Este manual especializado cubre todos los sistemas del vehículo del año 2013, incluyendo el eficiente motor 1.5L y su transmisión manual.

Versión HTML Interactivo: El manual se visualiza directamente en tu navegador (Internet Explorer, Google Chrome, Edge, Firefox) sin necesidad de software adicional. Diseñado específicamente para Windows y enviado en archivo comprimido WinRAR/WinZIP para fácil acceso y navegación instantánea.

📋 Especificaciones Técnicas

Manual completo en versión HTML interactivo para Toyota Yaris NCP93 (2013)

🚗 Información del Modelo:

  • Modelo: Toyota Yaris
  • Código: NCP93
  • Año: 2013
  • Versiones: Todas las versiones
  • Contenido: Manual Completo Interactivo
  • Formato: HTML Interactivo
  • Idioma: Inglés

🖥️ Compatibilidad Técnica:

  • Formato: Versión HTML Interactivo
  • Navegadores: Internet Explorer, Google Chrome, Edge, Firefox
  • Sistema: Windows PC
  • Envío: WinRAR/WinZIP comprimido
  • Entrega: Email inmediato

🔧 Motor Cubierto

1.5L 4 Cilindros:

  • Código: 1NZ-FE
  • Configuración: 4 cilindros en línea 16V
  • Cilindrada: 1.5L (1497cc)
  • Potencia: 109 HP @ 6000 RPM
  • Par motor: 141 Nm @ 4200 RPM
  • VVT-i
  • Inyección electrónica
  • Alta eficiencia

Transmisión Manual:

  • Código: C50
  • 5 velocidades manuales
  • Transmisión mecánica
  • Cambio preciso
  • Durabilidad comprobada
  • Máximo control

Tecnologías Avanzadas:

  • Sistema VVT-i
  • Inyección electrónica
  • Control electrónico avanzado
  • Sistema de gestión motor
  • Optimización de consumo

⚡ Sistema de Transmisión

⚙️ Transmisión C50:

  • Tipo: Manual 5 velocidades
  • Relaciones optimizadas
  • Cambio suave y preciso
  • Diseño compacto
  • Bajo mantenimiento

🏁 Sistema de Embrague:

  • Embrague hidráulico
  • Disco de embrague
  • Mecanismo de accionamiento
  • Regulación precisa
  • Durabilidad garantizada

🔧 Características Técnicas:

  • Tracción delantera
  • Ejes de transmisión
  • Diferencial integrado
  • Sincronizadores
  • Máxima eficiencia

🎥 Ejemplo de Funcionamiento de Manuales Toyota Interactivos

Mira cómo funcionan nuestros manuales interactivos HTML – Navegación fácil y búsqueda rápida en formato web

📹 Video Demostrativo

Funcionamiento general y navegación del manual interactivo

🚀 Ventajas de la Versión HTML Interactivo

🖥️ Navegación Fácil

Abre directamente en Internet Explorer, Google Chrome, Edge o Firefox sin programas adicionales.

🔍 Búsqueda Rápida

Encuentra información instantáneamente con búsqueda integrada en formato web.

📧 Envío Inmediato

Recibe el archivo comprimido WinRAR/WinZIP con el manual en tu email.

💻 Compatibilidad Windows

Diseñado específicamente para Windows PC.

🛠️ Sistemas Técnicos Incluidos

🔧 Grupo Motopropulsor:

  • Motor 1.5L 1NZ-FE
  • Transmisión manual C50
  • Sistema de tracción delantera
  • Sistemas de combustible
  • Escape y emisiones

🔌 Electricidad Avanzada:

  • Diagramas cableado interactivos
  • Centralitas y módulos
  • Sistema de gestión motor
  • Iluminación y señalización
  • Electrónica de confort

⚡ Sistemas Específicos Yaris 2013:

  • Sistema de frenos ABS
  • Suspensión y dirección
  • Sistema de control estabilidad
  • Climatización y aire acondicionado
  • Sistema de infoentretenimiento

📚 Contenido del Manual HTML Interactivo

🔧 Procedimientos de Reparación:

  • Despiece completo motor 1.5L
  • Transmisión manual C50
  • Sistemas de frenos y suspensión
  • Dirección y ejes
  • Especificaciones de torque
  • Procedimientos paso a paso

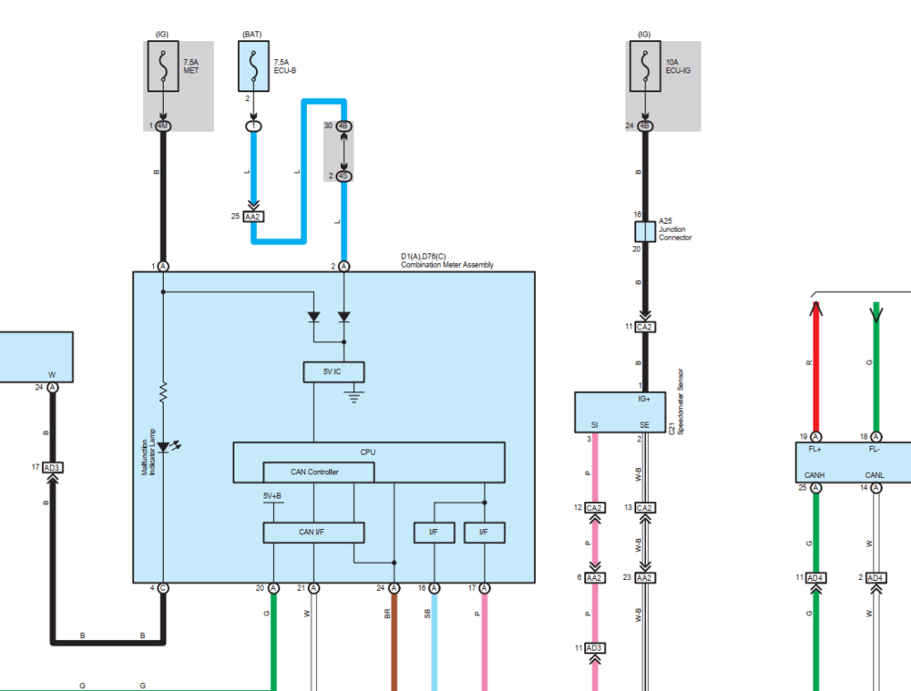
🔌 Diagramas Eléctricos:

  • Esquemas completos navegables
  • Centralitas electrónicas
  • Sistema de carga y arranque
  • Iluminación interior/exterior
  • Sensores y actuadores
  • Cableado completo vehículo

🚙 Especificaciones Yaris 2013:

  • Carrocería hatchback
  • Sistemas de climatización
  • Especificaciones técnicas
  • Mantenimiento programado
  • Diagramas de lubricación
  • Procedimientos de diagnóstico

🔧 Manuales Toyota Disponibles

Encuentra manuales de reparación especializados para todos los modelos y años de Toyota.

🚗 Compactos y Subcompactos:

  • Yaris NCP93 (2013)
  • Yaris NCP93 (2014)
  • Yaris NCP130/XP130 (2011-2018)
  • Corolla (2002-2008)

🚙 SUV y Camionetas:

  • RAV4 (2006-2012)
  • 4Runner (2010-2023)
  • Highlander (2008-2013)
  • Land Cruiser (2008-2021)

🚚 Pickups y Comerciales:

  • Tundra (2007-2013)
  • Tacoma (2005-2015)
  • Hilux (2005-2015)
  • Hiace (2013-2019)

🔒💳 Compra Segura via PayPal

⚡ Pago Rápido

Redirección directa a PayPal para una transacción segura y sin complicaciones.

🔒 Máxima Seguridad

PayPal garantiza la protección total de tus datos financieros y personales.

💳 Múltiples Métodos

Paga con tu cuenta PayPal o cualquier tarjeta de crédito/débito asociada.

Toyota Yaris NCP93 Interactive HTML Workshop Manual (2013) Complete interactive HTML workshop manual for Toyota Yaris NCP93 2013. Covers engine 1.5L (1NZ-FE) with manual transmission C50. Interactive HTML format compatible with Internet Explorer, Chrome, Edge, Firefox on Windows, delivered in WinRAR/WinZIP compressed file.
Manuales Toyota
Manuales Toyota
Interactive HTML 1750 2024 en
Toyota Yaris Yaris NCP93 2013
1.5L 4-cylinder 1NZ-FE (109 HP)
Manual 5-speed (C50) FrontWheelDrive Compact Car City and urban driving
18 99

🚀 Manual Interactivo HTML por Solo $9.99

🛠️ Versión HTML Interactivo • ⚡ Motor 1.5L • 🔧 Transmisión Manual C50 • 🔌 Compatible Navegadores Web
👉 Explorar Todos los Manuales Toyota

💳 Pago seguro PayPal • 📧 Envío inmediato por email • 🖥️ Versión HTML Interactivo • 🎥 Video demostrativo • 🛠️ Especialistas Toyota

Galería de imágenes del manual de servicio Toyota Yaris NCP90 2013: Consulta técnica visual.

¿Necesitas soporte técnico para tu Toyota? Escríbenos y te brindaremos la ayuda necesaria.

Volver

Se ha enviado tu mensaje

Advertencia
Advertencia
Advertencia
¡Aviso!

 

Deja un comentario