Manual de Taller Interactivo Toyota Yaris NCP93 (2014)
🛠️💡 VERSIÓN HTML INTERACTIVO – Manual Completo – Envío Inmediato
Obtén el manual completo en versión HTML interactivo para el Toyota Yaris NCP93 2014, el compacto confiable que combina eficiencia, durabilidad y facilidad de manejo. Este manual especializado cubre todos los sistemas del vehículo del año 2014, incluyendo el eficiente motor 1.5L y sus transmisiones automática y manual.
HTML Interactivo: El manual se visualiza directamente en tu navegador (Internet Explorer, Google Chrome, Edge) sin necesidad de software adicional. Diseñado específicamente para Windows y enviado en archivo comprimido WinRAR/WinZIP para fácil acceso y navegación instantánea.
📋 Especificaciones Técnicas
Manual completo en versión HTML interactivo para Toyota Yaris NCP93 (2014)
🚗 Información del Modelo:
- Modelo: Toyota Yaris
- Código: NCP93
- Año: 2014
- Versiones: Todas las versiones
- Contenido: Manual Completo Interactivo
- Formato: HTML Interactivo
- Idioma: Inglés
🖥️ Compatibilidad Técnica:
- Formato: HTML Interactivo
- Navegadores: Internet Explorer, Google Chrome, Edge
- Sistema: Windows PC
- Envío: WinRAR/WinZIP comprimido
- Entrega: Email inmediato
🔧 Motor Cubierto
1.5L 4 Cilindros:
- Código: 1NZ-FE
- Configuración: 4 cilindros en línea 16V
- Cilindrada: 1.5L (1497cc)
- Potencia: 109 HP @ 6000 RPM
- Par motor: 141 Nm @ 4200 RPM
- VVT-i
- Inyección electrónica
- Alta eficiencia
Tecnologías Avanzadas:
- Sistema VVT-i
- Inyección electrónica
- Control electrónico avanzado
- Sistema de gestión motor
- Optimización de consumo
⚡ Transmisiones Cubiertas
🤖 Automática U340E:
- 4 velocidades automáticas
- Transmisión electrónica
- Control adaptativo
- Cambio suave
- Eficiencia optimizada
⚙️ Manual C50:
- 5 velocidades manuales
- Transmisión mecánica
- Cambio preciso
- Durabilidad comprobada
- Máximo control
🏁 Sistema de Tracción:
- Tracción delantera
- Sistema de embrague
- Transmisión eficiente
- Control de tracción
- Estabilidad mejorada
🎥 Ejemplo de Funcionamiento de Manuales Toyota Interactivos
Mira cómo funcionan nuestros manuales interactivos HTML – Navegación fácil y búsqueda rápida en formato web
📹 Video Demostrativo
Funcionamiento general y navegación del manual interactivo
🚀 Ventajas de la Versión HTML Interactivo
🖥️ Navegación Fácil
Abre directamente en Internet Explorer, Google Chrome o Edge sin programas adicionales.
🔍 Búsqueda Rápida
Encuentra información instantáneamente con búsqueda integrada en formato web.
📧 Envío Inmediato
Recibe el archivo comprimido WinRAR/WinZIP con el manual en tu email.
💻 Compatibilidad Windows
Diseñado específicamente para Windows PC.
🛠️ Sistemas Técnicos Incluidos
🔧 Grupo Motopropulsor:
- Motor 1.5L 1NZ-FE
- Transmisión automática U340E
- Transmisión manual C50
- Sistema de tracción delantera
- Sistemas de combustible
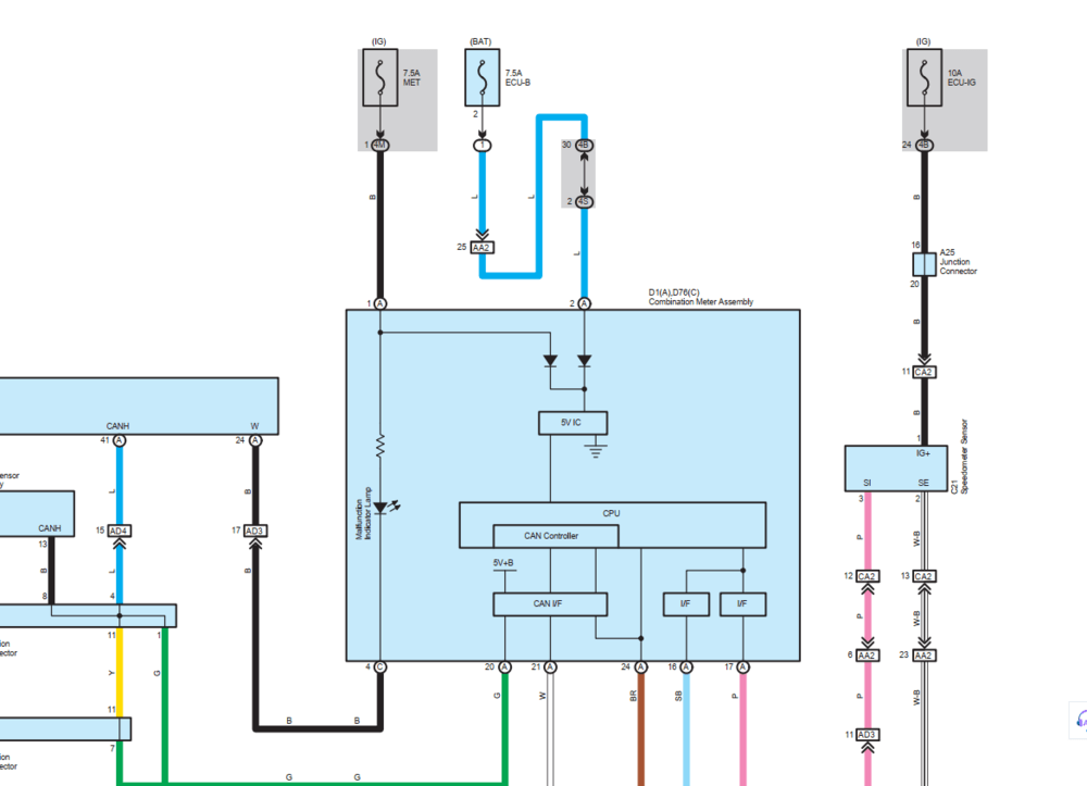
🔌 Electricidad Avanzada:
- Diagramas cableado interactivos
- Centralitas y módulos
- Sistema de gestión motor
- Iluminación y señalización
- Electrónica de confort
⚡ Sistemas Específicos Yaris 2014:
- Sistema de frenos ABS
- Suspensión y dirección
- Sistema de control estabilidad
- Climatización y aire acondicionado
- Sistema de infoentretenimiento
📚 Contenido del Manual HTML Interactivo
🔧 Procedimientos de Reparación:
- Despiece completo motor 1.5L
- Transmisión automática U340E
- Transmisión manual C50
- Sistemas de frenos y suspensión
- Dirección y ejes
- Especificaciones de torque
🔌 Diagramas Eléctricos:
- Esquemas completos navegables
- Centralitas electrónicas
- Sistema de carga y arranque
- Iluminación interior/exterior
- Sensores y actuadores
- Cableado completo vehículo
🚙 Especificaciones Yaris 2014:
- Carrocería hatchback
- Sistemas de climatización
- Especificaciones técnicas
- Mantenimiento programado
- Diagramas de lubricación
- Procedimientos de diagnóstico
🔧 Manuales Toyota Disponibles
Encuentra manuales de reparación especializados para todos los modelos y años de Toyota.
🚗 Compactos y Subcompactos:
- Yaris NCP93 (2014)
- Yaris NCP130/XP130 (2011-2018)
- Yaris XP90 (2005-2011)
- Corolla (2002-2008)
🚙 SUV y Camionetas:
- RAV4 (2006-2012)
- 4Runner (2010-2023)
- Highlander (2008-2013)
- Land Cruiser (2008-2021)
🚚 Pickups y Comerciales:
- Tundra (2007-2013)
- Tacoma (2005-2015)
- Hilux (2005-2015)
- Hiace (2013-2019)
🔒💳 Compra Segura via PayPal
⚡ Pago Rápido
Redirección directa a PayPal para una transacción segura y sin complicaciones.
🔒 Máxima Seguridad
PayPal garantiza la protección total de tus datos financieros y personales.
💳 Múltiples Métodos
Paga con tu cuenta PayPal o cualquier tarjeta de crédito/débito asociada.
🚀 Manual Interactivo HTML por Solo $9.99
🛠️ HTML Interactivo • ⚡ Motor 1.5L • 🔧 Transmisiones U340E y C50 • 🔌 Compatible Navegadores Web
👉 Explorar Todos los Manuales Toyota
Fotografías técnicas del manual de servicio Toyota Yaris NCP90 2014: Soporte visual para reparaciones.






¿Buscas el manual de taller para tu Toyota? Envíanos un mensaje y te facilitaremos la información.
Deja un comentario