Manual de Taller y Servicio Ford Fiesta 1.0L 2017-2020 PDF

Idioma: Inglés
Formato: PDF (enviado por email)
Compatibilidad: Windows, Android, iOS (requiere lector de PDF)
Motores aplicables:

  • 1.0L EcoBoost (74kW/100PS)
  • 1.0L EcoBoost (90kW/120PS)
  • 1.0L EcoBoost (103kW/140PS)

Transmisiones aplicables: 

  • Manual 6 Velocidades (6MX65)

Incluye:

  • Manual de Reparación y Diagramas eléctricos detallados para Ford Fiesta Motor 1.0L 2017-2020
  • Video explicativo en YouTube: Ver video demostrativo.

ENLACES DE PAGO – REDIRIGIDO A PAYPAL

—————PRECIO 9,99 $—————

Manuales de reparación Ford especializados. Encuentra guías completas para vehículos de diferentes modelos y años. Diseñados para dueños particulares y talleres mecánicos. Visita: Manuales de Ford.

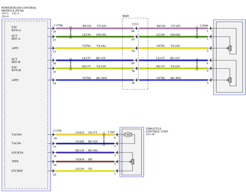
Fotografías técnicas del manual de servicio Ford Fiesta Motor 1.0L 2017-2020: Soporte visual para talleres.

¿Buscas el manual de taller para tu Ford? Envíanos un mensaje y te facilitaremos información.

← Volver

Gracias por tu respuesta. ✨

Deja un comentario