¡Si eres un apasionado de la legendaria Jeep Cherokee XJ (modelos 1996, 1997, 1998, 1999, 2000, 2001), sabes que tener el conocimiento técnico es clave para mantener este ícono del 4×4 en plena forma! 💪 ¿Cansado de sorpresas en el taller? ¡Es hora de tomar el control!
Consigue ahora el Manual Técnico Completo diseñado específicamente para tu Jeep Cherokee XJ 1996-2001. Esta Guía de Servicio y Reparación te da acceso a la misma información que usan los profesionales. ¡Disponible en ESPAÑOL y formato PDF para descarga inmediata! 📄🚀
Motores aplicables:
- 2.5L (Gasolina)
- 4.0L (Gasolina)
- 2.5L (Turbo Diesel)
Transmisiones que aplica:
- Automática: AW-4, 30RH
- Manual: AX-15, AX5
- Caja de Cambios: NV231, NV242
🛠️ Qué Descubrirás Dentro de Esta Guía Esencial:
- 👉 Instrucciones Paso a Paso: Procedimientos claros para cada tarea de reparación, desde el motor 4.0L (y otros) hasta ejes, transmisión, caja transfer y suspensión.
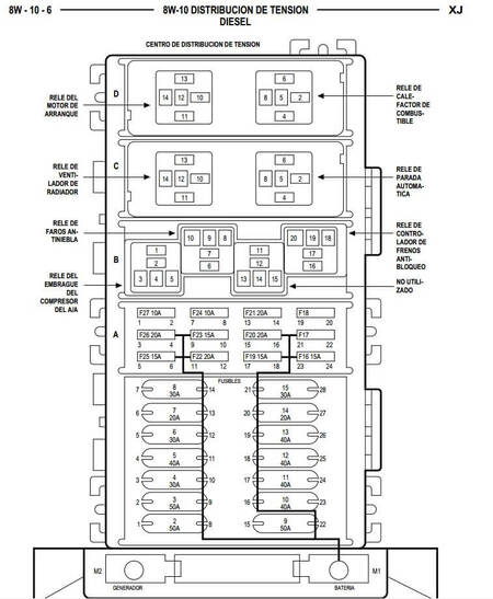
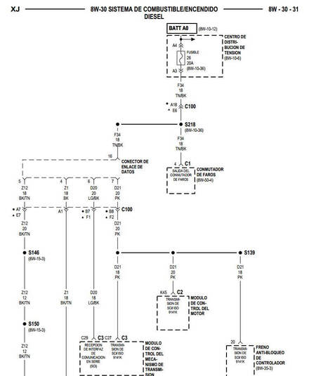
- 💡 Diagramas de Cableado Completos: Identifica y soluciona cualquier problema eléctrico con esquemas detallados y fáciles de seguir.
- 📅 Rutinas de Mantenimiento: Programa y realiza los servicios necesarios para prolongar la vida útil de tu XJ.
- 📏 Datos Técnicos Clave: Especificaciones, tolerancias y pares de apriete exactos para un montaje perfecto.
- 🧩 Vistas Despiezadas y Montaje: Diagramas ilustrados para entender la composición de cada sistema.

💰 Beneficios Directos para el Dueño de una XJ:
- ✅ Ahorro Significativo: Reduce drásticamente tus gastos en mano de obra de taller. ¡Más dinero para upgrades o aventuras!
- 💪 Mantenimiento DIY: Realiza tú mismo el servicio y muchas reparaciones con confianza.
- 🔬 Diagnóstico Preciso: Identifica problemas con seguridad antes de buscar ayuda externa.
- 💎 Preserva su Valor y Vida Útil: Un mantenimiento adecuado mantiene tu XJ funcionando fielmente por años.
- 🛣️ Lista para la Aventura: Asegura que tu vehículo esté siempre preparado para el terreno.
👇 ¡Descarga Rápida y Segura en PDF!
Accede a este valioso manual al instante en cualquier dispositivo. ¡No dejes tus reparaciones para después!
Obtén tu MANUAL TALLER JEEP CHEROKEE XJ 1996-2001 ESPAÑOL PDF y toma el control total del cuidado de tu legendaria Jeep. ¡Tu mejor aliado para mantenerla rodando y lista para la acción! 👍🔥
▶️Video YouTube: Ver video demostrativo▶️
Manuales de taller a tu disposición. Descubre guías completas para reparar vehículos de todas las marcas y años. Explora nuestra sección: Manuales Jeep.
Imagenes de ejemplo del manual de servicio Jeep Cherokee XJ 1996-2001 Español.






Deja un comentario