Idioma: Inglés
Formato: PDF (enviado por email)
Compatibilidad: Windows, Android, iOS (requiere lector de PDF)
Motores aplicables:
- 2.4L (Gasolina)
- 4.0L (Gasolina)
Transmisiones que aplica:
- Automática: 42RLE
- Manual: 3550, 1500
- Caja de Cambios: NV231, NV241
Incluye:
- Manual de Reparación y Diagramas eléctricos detallados para Jeep Wrangler TJ 2003-2006
ENLACES DE PAGO – REDIRIGIDO A PAYPAL
—————PRECIO 7,99 $—————

Todo lo que necesitas para reparar tu vehículo Jeep. Encuentra manuales de taller para diferentes modelos y años en: Manuales Jeep.
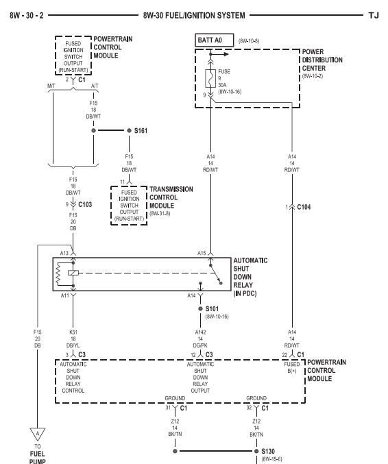
Ejemplos gráficos del manual de servicio Jeep Wrangler TJ 2003-2006.






¿Necesitas ayuda? Estamos aquí para ti. Contáctanos en este momento.
Deja un comentario