Idioma: Inglés
Formato: PDF (enviado por email)
Compatibilidad: Windows, Android, iOS (requiere lector de PDF)
Motores aplicables:
- 2.0L VGT Diesel D4EA
Transmisiones que aplica:
- Manual: M6GF2
- Automática: F4A42
Incluye:
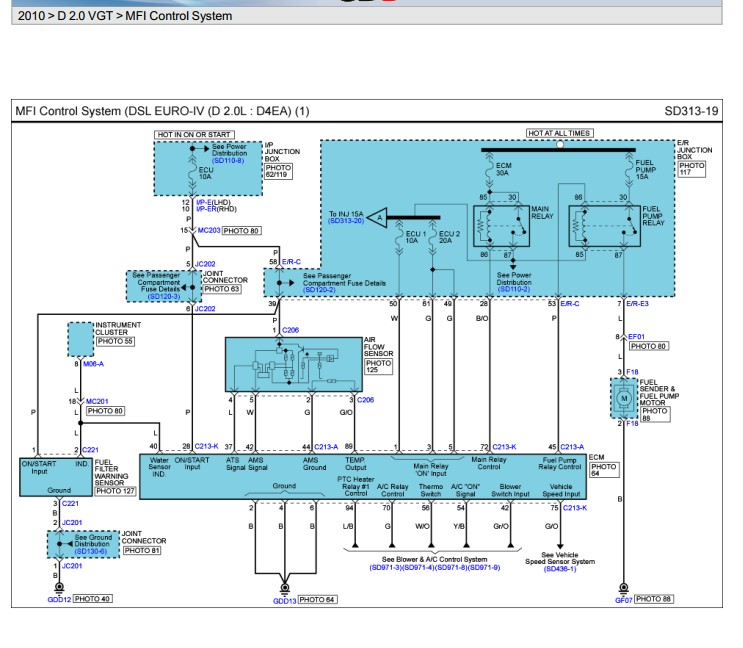
- Manual de Reparación y Diagramas eléctricos detallados para Kia Sportage KM 2.0L VGT Diesel (2004-2010)
- Video explicativo en YouTube: Ver video demostrativo.
ENLACES DE PAGO – REDIRIGIDO A PAYPAL
—————PRECIO 8,99 $—————

Manuales de taller KIA completos y detallados. Encuentra guías para reparar vehículos de diferentes modelos y años en: Manuales Kia.
Manual de servicio Kia Sportage KM 2.0L VGT Diesel 2004-2010: Imágenes de referencia para reparaciones y mantenimiento.






¿Buscas el manual de taller para tu KIA? Envíanos un mensaje y te lo facilitaremos.
Deja un comentario