idioma: Inglés
Formato: PDF (enviado por email)
Compatibilidad: Windows, Android, iOS (requiere lector de PDF)
Motores aplicables:
- 1.5L Diesel TCI-U
Transmisiones que aplica:
- Manual: M5CF2
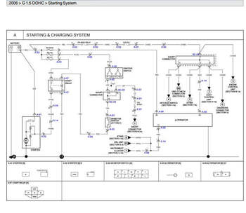
Incluye:
- Manual de Reparación y Diagramas eléctricos detallados para Kia Rio JB 1.5L (2004-2011)
ENLACES DE PAGO – REDIRIGIDO A PAYPAL
—————PRECIO 7,99 $—————

Repara tu KIA como un experto. Encuentra manuales de taller para diferentes modelos y años en: Manuales Kia.
Imágenes de ejemplo del manual de servicio Kia Rio JB 1.5L Diesel 2004-2011: Soporte técnico en fotos.






¿Buscas el manual de taller KIA? Envíanos un mensaje y te lo haremos llegar.
Deja un comentario