¿Eres propietario de una confiable Hyundai Santa Fe de los años 2006, 2007, 2008, 2009, 2010, 2011 o 2012? 🤔 ¡Tenemos el recurso fundamental que te permitirá disminuir costos de servicio y entender a fondo tu SUV! 👇
Obtén ahora tu Manual de Servicio y Reparación para la Hyundai Santa Fe. Es tu referencia esencial para realizar tú mismo el mantenimiento y solucionar problemas. ¡Disponible en PDF para descarga inmediata! 🌍🗣️
Motores aplicables:
- 2.7L Gasolina (G6EA)
- 2.2L Diesel (D4EB)
Transmisiones aplicables:
- Manual: M5GF2, M5HF2
- Automática: A5HF1, F4A51
🔧 Qué Incluye Este Compendio Detallado:
- 🔩 Procedimientos de Reparación Paso a Paso: Guías claras y precisas para cada componente: motor, transmisión, sistema de tracción, frenos, dirección, etc.
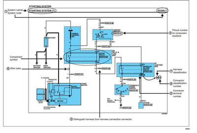
- 💡 Esquemas Eléctricos Claros: Diagramas completos para identificar y reparar fallas en todo el circuito eléctrico de tu vehículo.
- 🗓️ Pautas Completas de Mantenimiento: Toda la información para servicios periódicos, inspecciones y ajustes. ¡Mantén tu Santa Fe en estado óptimo!
- 📏 Datos Técnicos Clave: Especificaciones exactas, valores de apriete (torque) y tolerancias importantes.
- 🧩 Diagramas de Despiece y Ensamble: Vistas detalladas que facilitan el desarme y correcto montaje de las piezas.

💰 Una Inversión Inteligente para Tu Bolsillo:
- ✅ Ahorra Cientos (o Miles): Evita facturas elevadas del taller realizando tú mismo muchas tareas.
- 💪 Hazlo Tú Mismo: Empodérate con el conocimiento para cuidar tu Santa Fe.
- 🧠 Diagnóstico Preciso y Confiado: Identifica la raíz del problema antes de tomar decisiones sobre reparaciones.
- 📈 Extiende la Vida Útil y Preserva el Valor: Un mantenimiento adecuado protege tu inversión a largo plazo.
👇 ¡Descarga Inmediata en PDF!
Accede a todo este conocimiento técnico al instante. Compatible con cualquier dispositivo. ¡No esperes más!
Adquiere tu Hyundai Santa Fe Manual de Taller (2006-2012) PDF Descarga hoy mismo y toma el control del cuidado de tu SUV familiar. ¡Tu aliado confiable en el mantenimiento! 👍
▶️Video en YouTube: Ver video demostrativo.▶️
Encuentra la guía perfecta para reparar tu vehículo. Manuales de taller para diferentes modelos y años disponibles en: Manuales Hyundai.
Imágenes de guía del manual de servicio Hyundai Santa Fe 2006-2012.






Deja un comentario