Manual de Taller Toyota Corolla 2002-2008 Español PDF: Reparación y Diagramas Eléctricos

¡La Solución Definitiva para tu Toyota Corolla 2002 al 2008! Descarga YA el Manual de Taller Completo en PDF

¡No busques más! Te ofrecemos el Manual de Taller y Reparación ESENCIAL para tu vehículo, disponible para descarga inmediata en formato PDF en Español. Este manual es la herramienta imprescindible que te dará el poder de entender y cuidar tu coche a fondo.

Motores aplicables:

  • 2.0L (1CD-FTV)
  • 1.4L (1ND-TV)
  • 1.6L (3ZZ-FE)
  • 1.4L (4ZZ-FE)
  • 1.8L (2ZZ-GE)

Transmisiones que aplica: 

  • Automática: A245E A246E
  • Manual: C51 – C52, C53A, C64, C150, E355-356

📚 ¿Qué encontrarás en esta guía indispensable?

  • Procedimientos de Reparación Detallados: Instrucciones paso a paso para todo tipo de reparaciones, desde las más sencillas hasta las más complejas (motor, transmisión, frenos, suspensión, etc.).
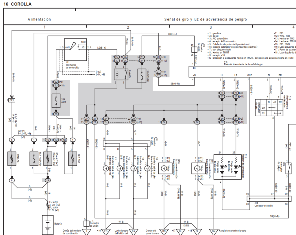
  • Diagramas Eléctricos Completos: ¡Despídete de las fallas eléctricas! Soluciona problemas complejos del sistema eléctrico con esquemas claros y precisos. Indispensable para diagnosticar sensores, luces, y más.
  • Mantenimiento Preventivo y Correctivo: Aprende a realizar el mantenimiento periódico tú mismo, asegurando la longevidad y el rendimiento óptimo de tu Picanto.
  • Especificaciones Técnicas y Torques: Toda la información técnica que necesitas, incluyendo los pares de apriete exactos para cada componente.
  • Despiece y Montaje: Visualiza cómo se ensamblan las partes de tu vehículo con ilustraciones detalladas.

🛒 Guía Sencilla para Adquirir tu Manual:

  1. Presiona el botón «COMPRAR AHORA» ubicado en la parte superior.
  2. Serás redirigido a PayPal para comenzar la transacción.
  3. Selecciona tu método de pago preferido (saldo PayPal, tarjeta de débito o crédito) y avanza siguiendo las indicaciones.
  4. Aguarda la notificación que confirma tu transacción exitosa.
  5. El manual se remitirá a la dirección de correo electrónico que tienes asociada a tu cuenta de PayPal.
  6. Si surge alguna inquietud, no dudes en contactarnos a través de WhatsApp.

Soluciona problemas con tu Toyota y asegura su rendimiento. Encuentra manuales de taller para varios modelos y años en: Manuales Toyota.. Allí hallarás recursos para mantenimiento, reparaciones y ajustes, con instrucciones detalladas y guías prácticas, tanto si eres aficionado como profesional.

Imágenes detalladas del manual de servicio Toyota Corolla 2002-2008 Español PDF: Consulta técnica en fotos.

¿Necesitas información sobre el mantenimiento de tu Toyota? Contáctanos y te la proporcionaremos.

← Volver

Gracias por tu respuesta. ✨

Deja un comentario