Manual de Taller Interactivo Toyota Yaris NCP130/XP130 (2011-2018)
🛠️💡 VERSIÓN HTML INTERACTIVO – Manual Completo – Envío Inmediato
Obtén el manual completo en versión HTML interactivo para el Toyota Yaris modelos NCP130/XP130 (2011-2018), el compacto confiable que combina eficiencia y durabilidad. Este manual especializado cubre todos los sistemas del vehículo para los años 2011 a 2018, incluyendo los eficientes motores 1.3L y 1.5L.
Versión HTML Interactivo: El manual se visualiza directamente en tu navegador (Google Chrome, Edge, Firefox, Internet Explorer) sin necesidad de software adicional. Diseñado específicamente para Windows y enviado en archivo comprimido WinRAR/WinZIP para fácil acceso y navegación instantánea.
📋 Especificaciones Técnicas
Manual completo en versión HTML interactivo para Toyota Yaris NCP130/XP130 (2011-2018)
🚗 Información del Modelo:
- Modelo: Toyota Yaris
- Código: NCP130 / XP130
- Años: 2011-2018
- Versiones: Todas las versiones
- Contenido: Manual Completo Interactivo
- Formato: HTML Interactivo
- Idioma: Inglés
🖥️ Compatibilidad Técnica:
- Formato: Versión HTML Interactivo
- Navegadores: Google Chrome, Edge, Firefox, Internet Explorer
- Sistema: Windows PC
- Envío: WinRAR/WinZIP comprimido
- Entrega: Email inmediato
🔧 Motores Cubiertos
1.5L Gasolina:
- Código: 1NZ-FE
- Configuración: 4 cilindros en línea 16V
- Cilindrada: 1.5L (1497cc)
- Potencia: 109 HP @ 6000 RPM
- Par motor: 141 Nm @ 4200 RPM
- Inyección electrónica
- VVT-i
- Alta eficiencia
1.3L Gasolina:
- Código: 2NZ-FE
- Configuración: 4 cilindros en línea 16V
- Cilindrada: 1.3L (1298cc)
- Potencia: 86 HP @ 6000 RPM
- Par motor: 121 Nm @ 4400 RPM
- Inyección electrónica
- VVT-i
- Máxima economía
Tecnologías Avanzadas:
- Sistema VVT-i
- Inyección electrónica
- Control electrónico avanzado
- Sistema de gestión motor
- Optimización de consumo
⚡ Transmisiones Cubiertas
🤖 Automáticas:
- U340E: 4 velocidades automáticas
- U441E: 4 velocidades automáticas
- Transmisión electrónica
- Control adaptativo
- Cambio suave
⚙️ Manual:
- C54: 5 velocidades manuales
- Transmisión mecánica
- Cambio preciso
- Durabilidad comprobada
- Máximo control
🏁 Sistema de Tracción:
- Tracción delantera
- Sistema de embrague
- Transmisión eficiente
- Control de tracción
🎥 Ejemplo de Funcionamiento de Manuales Toyota Interactivos
Mira cómo funcionan nuestros manuales interactivos HTML – Navegación fácil y búsqueda rápida en formato web
📹 Video Demostrativo
Funcionamiento general y navegación del manual interactivo
🚀 Ventajas de la Versión HTML Interactivo
🖥️ Navegación Fácil
Abre directamente en Google Chrome, Edge, Firefox o Internet Explorer sin programas adicionales.
🔍 Búsqueda Rápida
Encuentra información instantáneamente con búsqueda integrada en formato web.
📧 Envío Inmediato
Recibe el archivo comprimido WinRAR/WinZIP con el manual en tu email.
💻 Compatibilidad Windows
Diseñado específicamente para Windows PC.
🛠️ Sistemas Técnicos Incluidos
🔧 Grupo Motopropulsor:
- Motores 1.3L 2NZ-FE y 1.5L 1NZ-FE
- Transmisiones automáticas U340E, U441E
- Transmisión manual C54
- Sistema de tracción delantera
- Sistemas de combustible
🔌 Electricidad Avanzada:
- Diagramas cableado interactivos
- Centralitas y módulos
- Sistema de gestión motor
- Iluminación y señalización
- Electrónica de confort
⚡ Sistemas Específicos Yaris 2011-2018:
- Sistema de frenos ABS
- Suspensión y dirección
- Sistema de control estabilidad
- Climatización y aire acondicionado
- Sistema de infoentretenimiento
📚 Contenido del Manual HTML Interactivo
🔧 Procedimientos de Reparación:
- Despiece completo motores 1.3L y 1.5L
- Transmisiones automáticas y manual
- Sistemas de frenos y suspensión
- Dirección y ejes
- Especificaciones de torque
- Procedimientos paso a paso
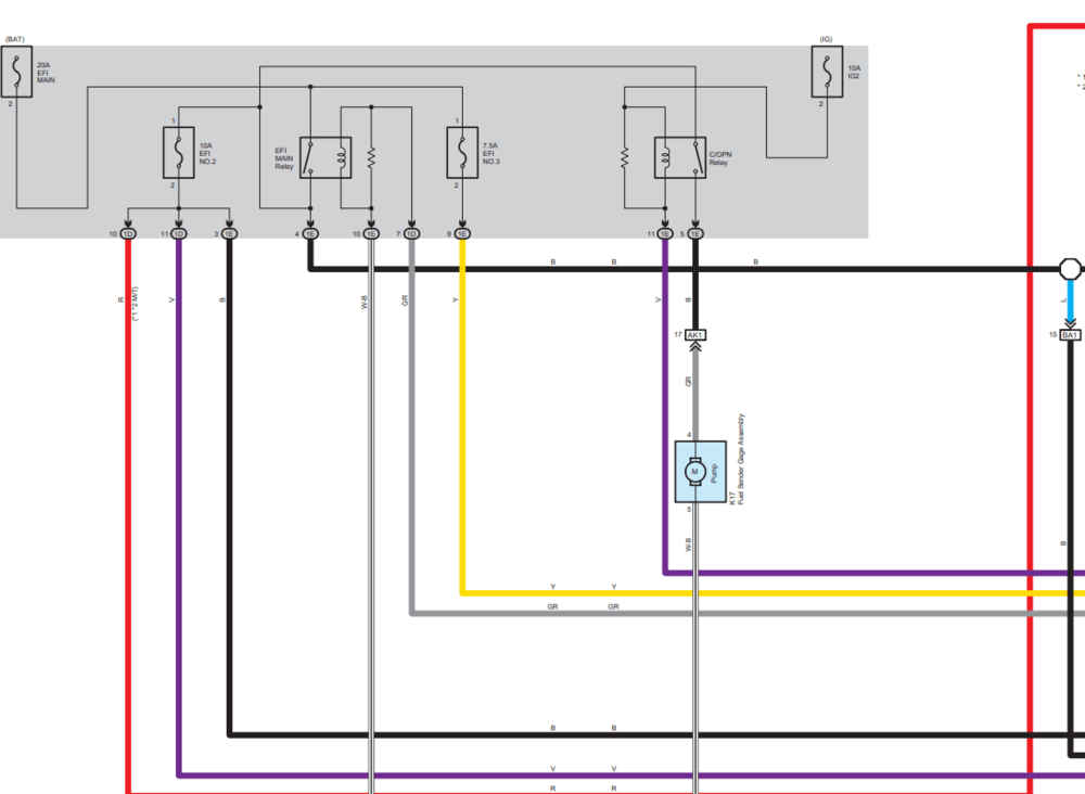
🔌 Diagramas Eléctricos:
- Esquemas completos navegables
- Centralitas electrónicas
- Sistema de carga y arranque
- Iluminación interior/exterior
- Sensores y actuadores
- Cableado completo vehículo
🚙 Especificaciones Yaris 2011-2018:
- Carrocería hatchback y sedán
- Sistemas de climatización
- Especificaciones técnicas
- Mantenimiento programado
- Diagramas de lubricación
- Procedimientos de ajuste
🔧 Manuales Toyota Disponibles
Encuentra manuales de reparación especializados para todos los modelos y años de Toyota.
🚗 Compactos y Subcompactos:
- Yaris NCP130/XP130 (2011-2018)
- Yaris XP90 (2005-2011)
- Corolla (2002-2008)
- Corolla (2008-2013)
🚙 SUV y Camionetas:
- RAV4 (2006-2012)
- 4Runner (2010-2023)
- Highlander (2008-2013)
- Land Cruiser (2008-2021)
🚚 Pickups y Comerciales:
- Tundra (2007-2013)
- Tacoma (2005-2015)
- Hilux (2005-2015)
- Hiace (2013-2019)
🔒💳 Compra Segura via PayPal
⚡ Pago Rápido
Redirección directa a PayPal para una transacción segura y sin complicaciones.
🔒 Máxima Seguridad
PayPal garantiza la protección total de tus datos financieros y personales.
💳 Múltiples Métodos
Paga con tu cuenta PayPal o cualquier tarjeta de crédito/débito asociada.
🚀 Manual Interactivo HTML por Solo $9.99
🛠️ Versión HTML Interactivo • ⚡ Motores 1.3L/1.5L • 🔧 Transmisiones Automáticas y Manual • 🔌 Compatible Navegadores Web
👉 Explorar Todos los Manuales Toyota
Imágenes de referencia del manual de servicio Toyota Yaris XP130 NCP130 2011-2018: Guía para proyectos técnicos.






¿Tienes preguntas sobre el mantenimiento de tu Toyota? Comunícate con nosotros y te guiaremos.
Deja un comentario