Dodge Stratus (2001-2006): Manual de Taller y Diagramas Eléctricos ¡Todo en Español! 🛠️💡🇪🇸
1. La Herramienta de Reparación Completa y en tu Idioma 🧑🔧
Si eres dueño de un Dodge Stratus (modelos 2001-2006) o un profesional automotriz, este Manual de Taller Digital es el recurso indispensable. Te proporciona la documentación de ingeniería más precisa, totalmente en Español 🇪🇸, para que puedas ejecutar cada tarea de mantenimiento, servicio o reparación con la máxima fiabilidad de fábrica. Olvídate de las traducciones dudosas; con esta guía, trabajarás con la certeza de que tus procedimientos son 100% correctos.
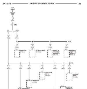
Este manual es exhaustivo, cubriendo la mecánica y electricidad de todos los motores de esta generación: el 2.0L DOHC, el 2.4L DOHC y el potente 2.7L V6 de 24 válvulas. Incluye procedimientos detallados para la Transmisión Automática de 4 Velocidades y la Transmisión Manual de 5 Velocidades. Su mayor activo son los diagramas eléctricos y electrónicos detallados 🔌, presentados en tu idioma, cruciales para diagnosticar y solucionar cualquier fallo en los sistemas de motor, carrocería y confort.
2. Cobertura Técnica, Formato y Compatibilidad Universal 🖥️
A continuación, se presenta un resumen de la cobertura y las especificaciones de este valioso recurso:
| Aspecto | Descripción Técnica |
| Vehículos Cubiertos | Dodge Stratus, Años 2001 – 2006 |
| Motores Cubiertos | 2.0L DOHC, 2.4L DOHC y 2.7L DOHC V6 |
| Transmisiones Cubiertas | Automática 4 Vel. y Manual 5 Vel. |
| Tipo de Documento | Manual de Taller, Mantenimiento y Diagramas Eléctricos |
| Lenguaje del Contenido | Español 🇪🇸 |
| Formato de Archivo | PDF (Listo para descargar) |
| Compatibilidad | Acceso universal garantizado en Windows, Mac, iOS y Android usando cualquier lector PDF. |
3. Rendimiento Profesional Optimizado con el PDF en Español 🚀
El formato de Documento Portable (PDF) para este manual técnico, sumado a que está en tu idioma, ofrece ventajas operativas directas:
- Claridad Lingüística Total: Al estar completamente en Español, eliminas la ambigüedad de la jerga técnica, lo que se traduce en una comprensión precisa y una ejecución sin errores de los procedimientos complejos.
- Acceso Móvil sin Esfuerzo: Carga el manual completo en tu tablet o smartphone 📱. Esto te permite tener los diagramas eléctricos y las especificaciones de torque directamente a pie de vehículo, minimizando el tiempo de inactividad.
- Diagnóstico Visual Impecable: La función de zoom en alta resolución sobre los diagramas de cableado es fundamental. Podrás identificar códigos de color y terminales con total claridad, lo cual es crítico en la electrónica del Stratus.
- Búsqueda Veloz: Utiliza la función de búsqueda de texto para encontrar al instante cualquier valor de especificación técnica o sección de procedimiento, optimizando tu tiempo de servicio. 🔎
4. Compra Sencilla y Garantía de Descarga Inmediata 🔒📧
Adquirir este Manual de Taller Dodge Stratus en Español es un proceso diseñado para ser rápido, seguro y conveniente:
- Seguridad de Pago Blindada: Finaliza tu compra con total confianza. Aceptamos las principales tarjetas de crédito/débito y PayPal, asegurando que tus datos financieros están protegidos. 💳
- Entrega Vía Email: Tras la confirmación del pago, el sistema genera automáticamente el enlace de descarga del archivo PDF y te lo envía directamente a tu correo electrónico.
- Acceso Inmediato y Permanente: Revisa tu bandeja de entrada; el Manual PDF estará disponible para descargar en cuestión de minutos ⚡. Podrás guardarlo y usarlo en todos tus dispositivos sin restricciones.
- Soporte Dedicado: Si tienes cualquier dificultad con la descarga o necesitas asistencia con el archivo, nuestro equipo de soporte está listo para asistirte de inmediato.
Manuales de taller a tu alcance. Encuentra guías completas para reparar vehículos de diversas marcas y años. Explora: Manuales Dodge
Galería visual del manual de servicio Dodge Stratus (2001-2006) en Español.






¿Necesitas orientación? Estamos a un mensaje de distancia. Contáctanos hoy
Deja un comentario