Manual de Servicio Kia Sorento 2.5L VGT (2007-2009)
🛠️💡 MANUAL COMPLETO EN ESPAÑOL – Incluye Diagramas Eléctricos – Envío Inmediato
Manual de Taller Kia Sorento 2.5L VGT (2007-2009) en Español. Reparación de motor, transmisiones, diagramas y mantenimiento completo. ¡Descarga PDF!.
Idioma: Manual de reparación completo en Español con Diagramas Eléctricos detallados para máxima precisión técnica.
Formato PDF: Enviado por email en archivo PDF comprimido, compatible con Windows, Android y iOS (requiere lector de PDF estándar).
🎥 Video Explicativo del Manual
Mira nuestro video explicativo para conocer más sobre este manual de taller en español
📋 Especificaciones Técnicas
Manual completo en Español para Kia Sorento 2.5L VGT (2007-2009)
🚙 Información del Vehículo:
- Modelo: Kia Sorento BL
- Años: 2007, 2008, 2009
- Motor: 2.5L CRDi VGT Diesel
- Versiones: Todas las versiones
- Contenido: Manual Completo + Diagramas Eléctricos
- Formato: PDF (Digital)
🖥️ Compatibilidad Técnica:
- Formato: PDF de alta calidad
- Idioma Manual: Español
- Idioma Diagramas: Español
- Sistemas: Windows, Android, iOS
- Requisito: Lector de PDF (Adobe, Foxit, etc.)
- Entrega: Email inmediato
VISA-DISCOVER-AMEX-MASTER CARD-DÉBITO
🔧 Motor Cubierto
2.5L CRDi VGT Diesel:
- Configuración: 4 cilindros en línea
- Cilindrada: 2.5L (2497cc)
- Sistema de Combustible: Common Rail Diesel Injection
- Potencia: 140-170 HP
- Par motor: 343-392 Nm
- Turbo VGT (Geometría Variable)
- 16 válvulas DOHC
- Intercooler
Tecnologías CRDi VGT:
- Sistema Common Rail de alta presión
- Turbo de geometría variable (VGT)
- Inyectores piezoeléctricos
- Intercooler aire-aire
- Sistema EGR refrigerado
- Filtro de partículas diesel (DPF)
Especificaciones Técnicas:
- Código motor: D4CB
- 16 válvulas DOHC
- Relación de compresión: 17.3:1
- Inyección common rail
- Presión de inyección: 1600 bar
- Normas de emisión Euro 4
⚡ Transmisiones Cubiertas
🤖 Transmisión Automática:
- Modelos: A5SR1, A5SR2
- Transmisión automática de 5 velocidades
- Módulo de control electrónico
- Modos Normal y Sport
- Modo de cambio manual secuencial
- Sistema de aprendizaje adaptativo
🔄 Transmisión Manual:
- Modelo: M5SR1
- Transmisión manual de 5 velocidades
- Sistema de embrague hidráulico
- Relaciones de transmisión optimizadas
- Precisión en los cambios
- Durabilidad comprobada
🏔️ Sistema de Transmisión:
- Tracción trasera (RWD)
- Tracción total (4WD) TOD (Torque On Demand)
- Control de tracción electrónico
- Bloqueo del diferencial central
- Dirección asistida hidráulica
- Sistema de reducción (Low Range)
🚀 Ventajas del Manual en PDF
📱 Compatibilidad Universal
Funciona en Windows, Android, iOS y cualquier dispositivo con lector de PDF.
🔍 Búsqueda Rápida
Encuentra información instantáneamente con búsqueda por palabras en el PDF.
📧 Entrega Inmediata
Recibe el archivo PDF comprimido en tu email minutos después de tu compra.
🖨️ Imprime lo que Necesites
Imprime las páginas específicas que requieras para tu taller o garaje.
🛠️ Sistemas Técnicos Incluidos
🔧 Tren Motriz:
- Motor completo 2.5L CRDi VGT
- Transmisiones A5SR1, A5SR2 y M5SR1
- Embrague y convertidor de par
- Sistema Common Rail de inyección
- Turbo VGT e intercooler
- Sistema de escape y DPF
🔌 Electricidad y Electrónica:
- Diagramas eléctricos detallados
- Sistema de gestión del motor ECU
- Módulos de control electrónico
- Sistema de carga y arranque
- Iluminación y señalización completa
- Sistema de climatización
⚡ Sistemas Específicos Sorento BL:
- Sistema de frenos ABS/ESP
- Suspensión independiente delantera
- Eje trasero de cuerpo rígido
- Sistema 4WD TOD (Torque On Demand)
- Sistemas de seguridad y airbags
- Carrocería y chasis SUV
📚 Contenido del Manual en PDF
🔧 Procedimientos de Reparación:
- Despiece completo del motor 2.5L CRDi VGT
- Reparación de transmisiones A5SR1, A5SR2, M5SR1
- Sistemas de frenos y suspensión
- Servicio de dirección y ejes
- Especificaciones de torque
- Procedimientos de reparación paso a paso
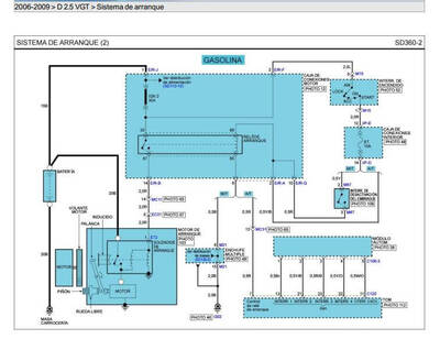
🔌 Diagramas Eléctricos:
- Esquemas de cableado completos
- Ubicaciones y conexiones de la ECU
- Circuitos de carga y arranque
- Iluminación interior/exterior
- Sensores y actuadores
- Cableado completo del vehículo
🚙 Mantenimiento y Diagnóstico:
- Mantenimiento programado
- Diagramas de lubricación
- Procedimientos de ajuste
- Códigos de diagnóstico (DTC)
- Procedimientos de reinicio y calibración
- Tablas de especificaciones técnicas
VISA-DISCOVER-AMEX-MASTER CARD-DÉBITO
🔧 Manuales Kia Disponibles
Encuentra manuales de reparación especializados para todos los modelos y años de Kia.
🚙 SUVs y 4×4:
- Sorento 2.5L VGT (2007-2009)
- Sorento 2.4L GDI (2013-2016)
- Sportage (2011-2015)
- Sportage (2016-2020)
🚗 Sedanes y Hatchbacks:
- Cerato/Forte 2.0L GDI (2013-2016)
- Rio (2012-2017)
- Optima (2011-2015)
- Ceed (2012-2018)
🚚 MPV y Comerciales:
- Carens (2006-2013)
- Soul (2009-2013)
- Bongo (2004-2018)
- Picanto (2011-2017)
🔒💳 Compra Segura via PayPal
⚡ Pago Rápido
Redirección directa a PayPal para una transacción segura y sin complicaciones.
🔒 Máxima Seguridad
PayPal garantiza la protección total de tus datos financieros y personales.
💳 Múltiples Métodos
Paga con tu cuenta PayPal o cualquier tarjeta de crédito/débito asociada.
🚀 Manual Completo en PDF por Solo $9.99
🛠️ Manual en Español • ⚡ Motor 2.5L CRDi VGT • 🔧 Transmisiones A5SR1, A5SR2, M5SR1 • 📱 Compatible Windows/Android/iOS
👉 Explorar Todos los Manuales Kia
Ejemplos gráficos del manual de servicio Kia Sorento 2.5L VGT 2007-2009 Español: Guía práctica para reparaciones.






¿Quieres el manual de reparación para tu KIA? Envíanos un mensaje y te contactaremos.
Deja un comentario