Idioma: Español
Formato: PDF (enviado por email)
Compatibilidad: Windows, Android, iOS (requiere lector de PDF)
Motores aplicables:
- 2.0L (4G63)
- 2.4L (4G64)
- 2.5L (4D56)
Transmisiones aplicables:
- Manual de 5 velocidades R5M21-5
- Automática de 4 velocidades R4AW2-6, V4AW-6
Incluye:
- Manual de Reparación y Diagramas eléctricos detallados para Mitsubishi Triton L200 (1996-2004) Español
- Video explicativo en YouTube: Ver video demostrativo.
ENLACES DE PAGO – REDIRIGIDO A PAYPAL
—————PRECIO 8,99 $—————

Manuales de reparación completos y detallados para vehiculos Mitsubishi. Encuentra guías para vehículos de diferentes modelos y años en: Manuales Mitsubishi.
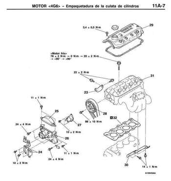
Fotos técnicas del manual de servicio Mitsubishi Triton L200 (1996-2004) Español para entusiastas y mecánicos.






¿Tienes dudas o comentarios? Escríbenos ahora y te atenderemos personalmente.
Deja un comentario