Dodge Dakota 1995: Manual de Taller y Despiece Completo en PDF 🛠️💡
1. El Recurso Maestro para la Restauración y el Servicio 🧑🔧
Si posees una Dodge Dakota 1995 o gestionas un taller de vehículos clásicos, esta guía digital es la herramienta más potente que puedes tener. Este Manual de Servicio Completo proporciona la documentación de ingeniería necesaria para garantizar que cada mantenimiento o reparación se realice con precisión milimétrica, manteniendo la fiabilidad original de la camioneta. Te permite ir más allá de las conjeturas, ofreciendo una base de conocimiento sólida para cualquier tarea.
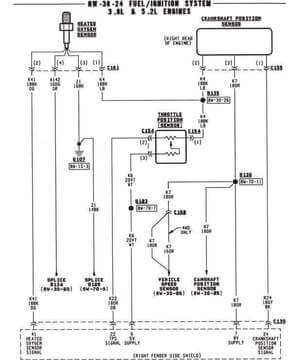
El manual abarca la mecánica integral de la Dakota, cubriendo todos los motores disponibles para ese año: el 2.5L de 4 cilindros, el 3.9L V6 y el robusto 5.2L V8. Incluye información detallada sobre las Transmisiones Automáticas (46RH, 42RH) y las Manuales (NVG3500, AX15). Además, su contenido se extiende al despiece y a todos los diagramas eléctricos 🔌, permitiéndote identificar cada componente y resolver cualquier falla electrónica con total confianza.
2. Especificaciones Técnicas y Accesibilidad del Manual 🖥️
Hemos estructurado la siguiente tabla para que conozcas las características clave de este valioso recurso:
| Característica | Detalle |
| Vehículo Cubierto | Dodge Dakota, 1995 |
| Motores y Cilindros | 2.5L (4 Cil.), 3.9L (6 Cil.), 5.2L (8 Cil.) |
| Transmisiones Incluidas | Automáticas 4 Vel. (46RH, 42RH) y Manuales 5 Vel. (NVG3500, AX15) |
| Contenido Esencial | Manual de Taller, Vistas de Despiece y Esquemas Eléctricos Completos |
| Lenguaje | Inglés 🇬🇧 (Documentación técnica de fábrica) |
| Formato de Entrega | PDF (Se envía por correo electrónico) |
| Compatibilidad Universal | Compatible con Windows, Mac, Android e iOS. Solo requiere un lector de PDF. |
3. Máximo Rendimiento en tu Taller con el Formato PDF 🚀
El formato de Documento Portable (PDF) para este manual técnico ofrece un valor práctico insuperable en el entorno de trabajo:
- Integración Móvil: Lleva la documentación de fábrica en tu tablet o smartphone 📱. Esto te permite tener los gráficos de despiece y los diagramas eléctricos justo donde los necesitas: debajo del capó o junto al motor.
- Diagnóstico Visual: La inclusión de las vistas de despiece detallado es fundamental. Te ayuda a entender el orden de ensamblaje de componentes complejos y a verificar números de pieza rápidamente antes de cualquier desmontaje.
- Velocidad de Consulta: Utiliza la potente función de búsqueda de tu lector PDF para encontrar instantáneamente valores de torque, tolerancias, o procedimientos de reparación sin tener que revisar cientos de páginas.
- Protección y Claridad: El archivo digital no se deteriora. Puedes hacer zoom a los diagramas eléctricos con total nitidez y usar la función de impresión selectiva para obtener copias desechables para el trabajo en el banco. 🖨️
4. Compra Segura y Proceso de Obtención Sin Demoras 🔒📧
Obtener tu Manual de Servicio Dodge Dakota es un proceso ágil, transparente y seguro:
- Plataformas de Pago Confiables: Puedes completar tu transacción con tranquilidad, utilizando PayPal o tus principales tarjetas de crédito/débito. La seguridad de tus datos es nuestra prioridad.
- Activación de Envío Inmediata: Una vez que el sistema confirma el pago, se genera y se envía automáticamente el enlace de descarga a tu email.
- Descarga Garantizada: Revisa tu bandeja de entrada; el Manual PDF estará disponible para descargar en pocos minutos ⚡. No hay costos de envío ni esperas postales.
- Asistencia Técnica: Si encuentras alguna dificultad con la descarga o tienes preguntas sobre el contenido, nuestro equipo de soporte está listo para brindarte asistencia inmediata.
¿Necesitas una guía para reparar tu vehículo Dodge? Tenemos manuales de taller para todos los modelos y años, en nuestra sección: Manuales Dodge. ¡Encuentra la solución ahora!
Manual de servicio Dodge Dakota 1995: Colección de imágenes de referencia para proyectos de restauración y reparación.






¿En qué podemos ayudarte? Envíanos un mensaje a través de nuestro formulario y te atenderemos personalmente.
Deja un comentario