Idioma: Español
Formato: PDF (Enviado por email)
Compatibilidad: Windows PC – Android – Tablet
Motores aplicables:
- 2.7L (2TRFE)
- 2.7L (3RZFE)
- 3.0L (1KDFTV)
- 4.0L (1GRFE)
Transmisiones que aplica:
- Transmision Automatica: A340E, A750E
- Transmision Manual: RA61F
Incluye:
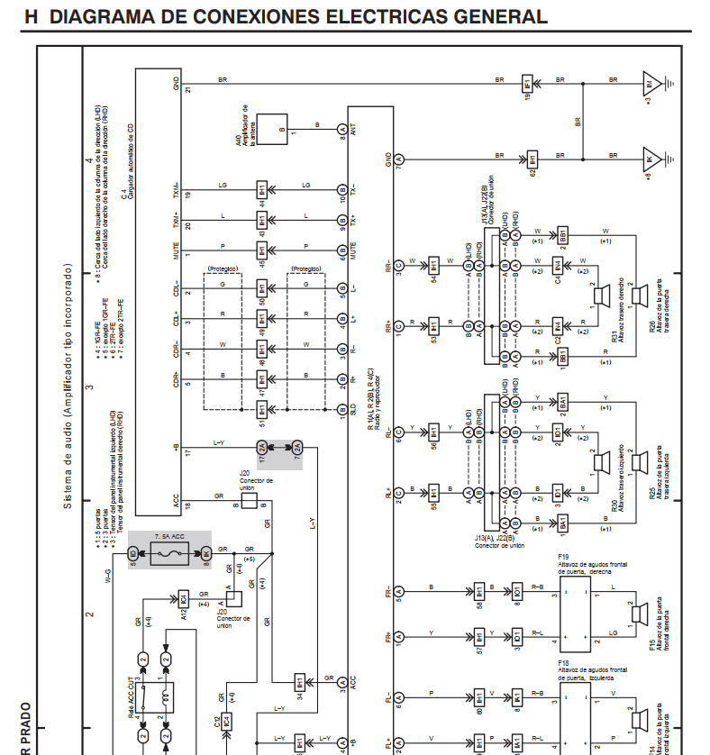
- Manual de Reparación y Diagramas eléctricos detallados para Toyota Land Cruiser Prado J120 en Español (2002-2009)
ENLACES DE PAGO – REDIRIGIDO A PAYPAL
—————PRECIO 8,99 $—————

Repara tu Toyota como un experto. Encuentra manuales de taller para diferentes modelos y años en: Manuales Toyota.
Imágenes de ejemplo del manual de servicio Toyota Land Cruiser Prado J120 en Español 2002-2009: Soporte técnico en fotos.






¿Necesitas asesoría técnica para tu Toyota? Escríbenos y te brindaremos soporte especializado.
Deja un comentario