Descripción del Manual
Idioma: Inglés
Formato: PDF (enviado por email)
Compatibilidad: Windows, Android, iOS (requiere lector de PDF)
Motores aplicables:
- 3.5L Gasolina (VQ35DE)
Transmisiones aplicables:
- CVT
Manuales Nissan – Manuales de reparación para toda la gama Nissan. Incluye todos los modelos. Ver Manuales Nissan
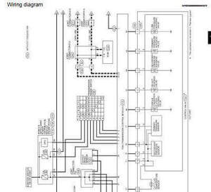
Guía visual Nissan: Ejemplos gráficos del manual de servicio Pathfinder R52 2013-2014






Deja un comentario