Manual de Reparación y Diagramas eléctricos detallados para Nissan March K12 (2002-2009).
Idioma: Inglés
Formato: PDF (enviado por email)
Compatibilidad: Windows, Android, iOS (requiere lector de PDF)
Motores aplicables:
- 1.2L (Codigo del Motor CR12DE)
- 1.4L (Codigo del Motor CR14DE)
- 1.6L (Codigo del Motor HR16DE)
- 1.5L (Codigo del Motor K9K)
Transmisiones aplicables:
- Automática 4 Velocidades
- Manual 5 Velocidades
¿Problemas con tu Nissan?» Accede a manuales técnicos oficiales con especificaciones exactas de torque, ajustes y procedimientos certificados por el fabricante. Ver Manuales Nissan
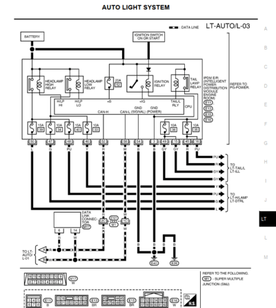
Galería técnica Nissan March K12 2002-2009: Imágenes detalladas del manual de taller






Deja un comentario