Descripción del Producto
Obtén el manual de taller definitivo para la Toyota Tacoma (2016-2022). Este manual es indispensable para el mantenimiento y reparación de la tercera generación de esta pickup, ofreciendo una cobertura exhaustiva de los motores de última tecnología y sus robustas transmisiones por solo $9.99.
Información del Producto
- Modelo: Toyota Tacoma
- Años: 2016 – 2022
- Idioma: Inglés
- Contenido: Manual de Reparación Mecánica + Diagramas Eléctricos Completos.
- Formato: PDF de Alta Calidad (Buscable e imprimible).
- Entrega: Envío por email en archivo comprimido (WinRAR) tras la compra.
Compatibilidad Técnica
- Sistemas: Totalmente compatible con Windows, Android e iOS.
- Requerimiento: Cualquier lector de PDF estándar (Adobe Reader, Chrome, etc.).
- Portabilidad: Archivo digital permanente para consulta rápida en el taller o desde cualquier dispositivo móvil.
Motores Cubiertos
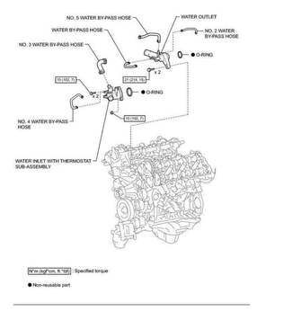
- 2.7L (2TR-FE): Procedimientos completos para el motor de 4 cilindros con tecnología VVT-i.
- 3.5L (2GR-FKS): Guía técnica detallada para el motor V6 de ciclo Atkinson e inyección D-4S, incluyendo sincronización y gestión electrónica.
- Detalles Técnicos: Tablas de torques de apriete, secuencias de montaje de culatas, sistema de enfriamiento y lubricación.
Transmisiones Incluidas
- Transmisión Automática: Manual de servicio para la caja AC60E de 6 velocidades, incluyendo diagnóstico de solenoides y procedimientos de cambio de fluido.
- Transmisión Manual: Cobertura técnica para las cajas R156F (5 velocidades) y RC62F (6 velocidades).
- Chasis y Tracción: Sistemas de suspensión, frenos, dirección y componentes del sistema 4WD (Transfer Case y Diferenciales).
Diagramas Eléctricos Detallados
- Esquemas Eléctricos: Planos completos en alta resolución del cableado de todo el vehículo.
- Gestión Electrónica: Ubicación de módulos de control (ECU), sensores, actuadores, puntos de tierra y diagramas de las cajas de fusibles.
- Nota Especial: Incluye de forma complementaria los Diagramas Eléctricos para Toyota Tundra 2013, proporcionando un recurso adicional de gran valor para el taller.
IMAGENES EJEMPLOS DEL MANUAL DE TALLER TOYOTA TUNDRA 2013






Deja un comentario