Descripción del Producto
Obtén el manual de taller especializado para la Ford Explorer (2011-2015). El manual de taller es un sistema HTML Interactivo de alto nivel, diseñado para ofrecer una navegación profesional y precisa por todos los sistemas de la quinta generación (Fase I), cubriendo las motorizaciones EcoBoost y Ti-VCT por solo $8.99.
Información del Producto
- Modelo: Ford Explorer
- Años: 2011 – 2015
- Contenido: Manual de Reparación Mecánica + Diagramas Eléctricos Completos.
- Formato: HTML Interactivo (Navegación dinámica por menús).
- Opcional: También disponible en formato PDF bajo solicitud.
- Entrega: Envío por email en archivo comprimido (WinRAR/WinZIP) tras la compra.
Compatibilidad Técnica
- Sistema Operativo: Exclusivo para Windows PC.
- Navegadores: Compatible con Microsoft Edge, Google Chrome e Internet Explorer.
- Interfaz: Sistema organizado por módulos que permite saltar instantáneamente entre especificaciones de motor, transmisiones y esquemas eléctricos, facilitando el trabajo en estaciones de diagnóstico.
Motores Cubiertos
- 2.0L EcoBoost: Procedimientos completos para el motor turbo de 4 cilindros e inyección directa.
- 3.5L Ti-VCT V6 / EcoBoost: Guía detallada para la planta motriz de 3.5 litros, incluyendo versiones de aspiración natural y doble turbo.
- 3.7L Ti-VCT V6: Cobertura técnica para el motor Cyclone de alto par motor.
- Detalles Técnicos: Sincronización de cadenas, tablas de torques de apriete, sistema de enfriamiento y diagnóstico de gestión de motor.
Transmisiones y Sistemas
- Transmisión Manual y Automática: Manual de servicio para ambas versiones, incluyendo diagnóstico electrónico de la caja automática, cuerpo de válvulas y mantenimiento.
- Chasis y Tracción: Información sobre la suspensión, frenos, dirección y el sistema de tracción inteligente 4WD.
- Sistemas del Vehículo: Climatización, Airbags y sistemas de seguridad activa.
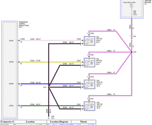
Diagramas Eléctricos e Interactividad
- Esquemas Eléctricos: Planos interactivos de alta resolución que permiten rastrear el cableado de forma eficiente.
- Localización: Ubicación exacta de sensores, módulos de control (PCM/BCM), puntos de masa y diagramas de las cajas de fusibles.
- Navegación Inteligente: El formato HTML permite una búsqueda mucho más rápida que el papel o archivos estáticos, vinculando componentes directamente con sus diagramas
Repara tu Ford como un experto. Encuentra manuales de taller para diferentes modelos y años, perfectos para dueños y talleres mecánicos.Tambien puedes buscar otro manual para Ford en nuestra seccion Manuales de Ford
Imágenes de guía rápida del manual de servicio Ford Explorer 2011-2015: Consulta visual eficiente.




¿Necesitas soporte técnico para tu Ford? Escríbenos y te brindaremos la ayuda necesaria.
Deja un comentario