Manual de Servicio Land Rover Discovery 1 (1994-1998)
🛠️💡 PDF Completo en Español – Envío Inmediato por Email
Obtén el manual de taller oficial en español para el Land Rover Discovery 1, el icónico todoterreno que revolucionó el mercado familiar off-road. Esta guía completa cubre todos los sistemas del vehículo desde 1994 hasta 1998, incluyendo los legendarios motores V8 y el robusto diesel 300 Tdi.
Incluye diagramas eléctricos detallados y procedimientos de reparación específicos en español para esta primera generación que estableció el estándar en vehículos familiares aventureros.
📋 Especificaciones Técnicas
Manual completo en español para Land Rover Discovery 1 (1994-1998) con cobertura de todos los motores y sistemas.
🚙 Información del Modelo:
- Modelo: Discovery 1
- Años: 1994 – 1998
- Generación: Primera Generación
- Contenido: Reparación + Diagramas Eléctricos
- Idioma: Español 🇪🇸
📱 Compatibilidad:
- Formato: PDF (envío por email)
- Windows: Totalmente compatible
- Android: Requiere lector de PDF
- iOS: iPhone/iPad compatible
- Entrega: Email inmediato
🔧 Motores Cubiertos
V8i 3.9L Gasolina:
- Configuración: V8 16V
- Cilindrada: 3.9L (3947cc)
- Potencia: 182 HP @ 4750 RPM
- Par motor: 312 Nm @ 3000 RPM
- Inyección electrónica
- Alto rendimiento
- Fiabilidad probada
300 Tdi 2.5L Diesel:
- Configuración: 4 cilindros en línea
- Cilindrada: 2.5L (2495cc)
- Potencia: 111 HP @ 4000 RPM
- Par motor: 264 Nm @ 1800 RPM
- Turbo diesel intercooler
- Inyección directa
- Alta eficiencia
Otros Motores:
- V8 4.0L Gasolina: 190 HP
- MPI 2.0L Gasolina: 120 HP
- Electrónica Rover integrada
- Sistemas de gestión avanzados
- Control de emisiones
⚡ Transmisiones Cubiertas
🤖 Transmisión Automática:
- 4 velocidades automáticas
- Transmisión ZF 4HP22
- Modos Drive y Sport
- Control electrónico
- Función de bloqueo
⚙️ Transmisión Manual:
- 5 velocidades manuales
- Caja R380 reforzada
- Embrague de alta duración
- Relaciones optimizadas
- Control preciso off-road
🏔️ Sistema de Tracción:
- Tracción permanente 4WD
- Caja de transferencia LT230
- Diferenciales bloqueables
- Relaciones alta/baja
- Robustez extrema
🚀 Ventajas del Manual en Español
📧 Envío Inmediato
Recibe el manual PDF en español en tu email minutos después del pago.
🇪🇸 Idioma Español
Contenido técnico completo en español para fácil comprensión.
🔧 Información Específica
Procedimientos detallados para motores V8, Tdi y sistemas mecánicos.
🖨️ Impresión Selectiva
Imprime solo las páginas que necesites para trabajar en el taller.
📸 Galería de Imágenes – Soporte Técnico Visual
🔧 Procedimientos Mecánicos:
- Despiece motor V8 3.9L
- Reparación motor 300 Tdi
- Sustitución turbo diesel
- Reparación transmisión R380
- Mantenimiento caja transferencia
🔌 Electricidad y Cableado:
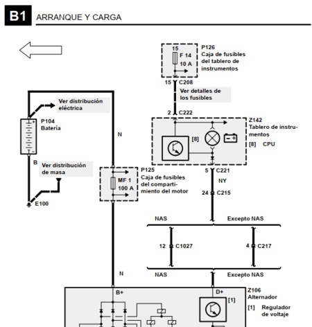
- Esquemas eléctricos completos
- Cableado sistema de inyección
- Diagramas sistema de carga
- Esquemas climatización
- Electricidad tablero instrumentos
⚡ Diagnósticos Avanzados:
- Diagnóstico motor V8i
- Problemas inyección Tdi
- Fallos sistema de encendido
- Problemas transmisión automática
- Ajustes sistema de frenos
🛠️ Sistemas Técnicos Incluidos
🔧 Grupo Motopropulsor:
- Motor V8i 3.9L
- Motor V8 4.0L
- Motor 300 Tdi 2.5L
- Motor MPI 2.0L
- Transmisiones manual/automática
🔌 Sistemas Eléctricos:
- Diagramas cableado completos
- Sistema de inyección electrónica
- Electricidad motor diesel
- Control sistemas de confort
- Iluminación y señalización
⚡ Sistemas Mecánicos:
- Sistema de frenos ABS
- Dirección y suspensión
- Sistema de escape
- Climatización y calefacción
- Sistema de combustible
🔌 Diagramas Eléctricos en Español Incluidos
⚡ Sistema de Gestión Motor:
- Centralita inyección V8
- Sistema inyección diesel
- Sensores y actuadores
- Sistema de encendido
- Control de emisiones
🔦 Sistemas de Confort:
- Climatización manual/automática
- Asientos eléctricos
- Sistema de audio
- Iluminación interior
- Elevalunas eléctricos
📊 Instrumentación:
- Cuadro de instrumentos
- Sensores de temperatura
- Sistema de alarma
- Indicadores de presión
- Testigos de advertencia
⚠️ Problemas Comunes Discovery 1 Cubiertos:
- Problemas de inyectores 300 Tdi
- Fallos bomba inyección diesel
- Fugas aceite motor V8
- Problemas transmisión automática ZF
- Fallos sensor temperatura
- Problemas sistema de carga
- Desgaste de crucetas
- Problemas de arranque en frío
- Diagnóstico sistema inyección
- Problemas de alternador
- Fallos en sistema de frenos
- Errores climatización
🔧 Manuales Land Rover Disponibles
Manuales de reparación Land Rover completos y detallados. Perfectos para dueños particulares y talleres mecánicos.
🚙 Range Rover Series:
- Range Rover Classic (1986-1994)
- Range Rover P38 (1994-2002)
- Range Rover L322 (2002-2009)
- Range Rover Sport (2005-2009)
🏔️ Discovery Series:
- Discovery 1 (1994-1998)
- Discovery 2 (1998-2004)
- Discovery 3 (2004-2009)
- Discovery 4 (2009-2016)
⚡ Otros Modelos:
- Defender (1983-2016)
- Freelander 1 (1997-2006)
- Freelander 2 (2006-2014)
- Range Rover Evoque (2011-2018)
🔒💳 Compra Segura via PayPal
⚡ Pago Rápido
Redirección directa a PayPal para una transacción segura y sin complicaciones.
🔒 Máxima Seguridad
PayPal garantiza la protección total de tus datos financieros y personales.
💳 Múltiples Métodos
Paga con tu cuenta PayPal o cualquier tarjeta de crédito/débito asociada.
🚀 Manual Completo en Español por Solo $8.99
🛠️ Motores V8 3.9L/4.0L • ⚡ Diesel 300 Tdi • 🔧 Transmisión Automática y Manual • 🔌 Diagramas en Español
👉 Explorar Todos los Manuales Land Rover




¿Tienes dudas sobre el mantenimiento de tu Land Rover? Comunícate con nosotros y te guiaremos.
Deja un comentario