Idioma: Español
Formato: Versión HTML (Interactivo, abre con navegadores como Chrome, Edge o Firefox, compatible con Windows, se envía por correo electrónico en un archivo comprimido WinRAR o WinZIP)
Compatibilidad: Windows PC
Motores aplicables:
- 1.5L – 1NZ-FE
- 1.6L – 3ZZ-FE
- 1.8L – 1ZZ-FE
- 1.8L – 1ZZ-FBE
- 2.0L – 2C
Transmisiones que aplica:
- Automática: U340E, U341E
- Manual: C50, E351
Incluye:
- Manual de Reparación y Diagramas eléctricos detallados para Toyota Corolla en Español (2008)
- Video explicativo en YouTube: Ver video demostrativo Interactivo Toyota.
ENLACES DE PAGO – REDIRIGIDO A PAYPAL
—————PRECIO 8,99 $—————

Repara tu Toyota con confianza. Encuentra manuales de taller para diferentes modelos y años en: Manuales Toyota.
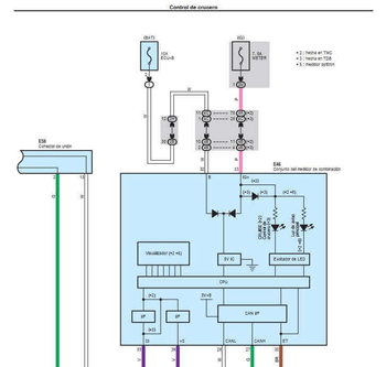
Fotografías técnicas del manual de servicio Toyota Corolla 2008 Español: Soporte visual para talleres.






¿Necesitas soporte técnico para tu Toyota? Escríbenos y te brindaremos la ayuda que necesitas.
Deja un comentario