Idioma: Español
Formato: Versión HTML (Interactivo, abre con navegadores web como Chrome, Edge o Firefox, funciona en sistemas Windows, se envía por correo electrónico en un archivo comprimido WinRAR o WinZIP)
Compatibilidad: Windows PC
Motores aplicables:
- Gasolina: 1.5L (1NZ-FE) – 1.6L (1ZR-FE) – 1.8L (2ZR-FE) – 1.8L (1ZZ-FE)
- Ethanol 2.0L (3ZR-FBE) – 1.8L (2ZR-FBE)
- Diesel: 2.0L (2C)
Transmisiones que aplica:
- Automática: U340E, U341E, U241E
- Manual de 5 velocidades: C50, E351, EC60
Incluye:
- Manual de Reparación y Diagramas eléctricos detallados para Toyota Corolla en Español (2010)
- Video explicativo en YouTube: Ver video demostrativo Interactivo Toyota.
ENLACES DE PAGO – REDIRIGIDO A PAYPAL
—————PRECIO 9,49 $—————

Encuentra la información que necesitas para reparar tu Toyota. Manuales de taller para diferentes modelos y años en: Manuales Toyota.
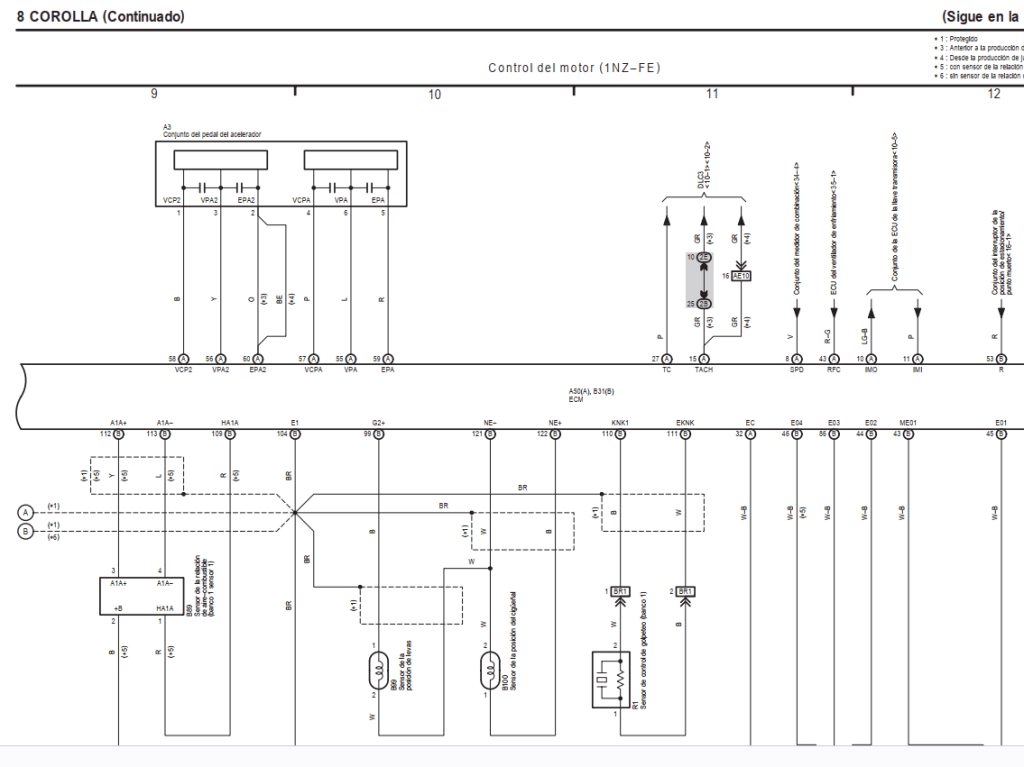
Galería visual del manual de servicio Toyota Corolla en Español 2010: Imágenes técnicas y explicativas.






¿Tienes dudas sobre el manual de tu Toyota? Estamos aquí para ayudarte. Contáctanos ahora.
Deja un comentario