Guía de Diagnóstico Dodge Neon (1999): Manual de Taller y Solución Eléctrica en PDF 🛠️💡
1. El Recurso Esencial para la Precisión Técnica 🧑🔧
Si eres el propietario de un Dodge Neon (modelo 1999) o un técnico que necesita resolver fallas de manera eficiente, esta Guía de Diagnóstico Digital es indispensable. Te proporciona la documentación de fábrica necesaria para llevar a cabo cada tarea, desde el mantenimiento preventivo hasta la solución de problemas complejos, garantizando que el vehículo se mantenga con la fiabilidad y precisión originales. Trabaja con la confianza de tener la información correcta a tu alcance.
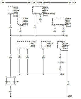
Este manual es integral, cubriendo a fondo los motores aplicables: los 2.0L SOHC/DOHC y el 1.8L SOHC. Incluye procedimientos detallados para ambas transmisiones: la Automática de 3 velocidades (31TH) y la Manual de 5 velocidades (NV T350). Su característica central son los esquemas eléctricos completos 🔌. Esta sección es vital para rastrear circuitos, conectores y diagnosticar cualquier falla electrónica que afecte el rendimiento o los sistemas de confort.
2. Contenido, Formato y Compatibilidad Universal 🖥️
A continuación, se detallan las características y la accesibilidad de esta guía de taller digital:
| Característica | Detalle |
| Vehículo Cubierto | Dodge Neon, Año 1999 |
| Motores Incluidos | 2.0L SOHC/DOHC y 1.8L SOHC |
| Transmisiones Aplicables | Automática 3 Vel. (31TH) y Manual 5 Vel. (NV T350) |
| Contenido Esencial | Manual de Reparación, Procedimientos de Diagnóstico y Esquemas Eléctricos Detallados |
| Lenguaje | Inglés 🇬🇧 (Documentación técnica original) |
| Formato de Entrega | PDF (Se envía por correo electrónico) |
| Compatibilidad Universal | Funciona en Windows, Mac, Android e iOS. Solo requiere un lector de PDF estándar. |
3. Máxima Eficiencia en Diagnóstico con el Formato PDF 🚀
La utilización de esta guía técnica en formato PDF optimiza significativamente tu proceso de trabajo:
- Portabilidad para el Diagnóstico: Carga el manual completo en tu tablet o smartphone 📱. Esto te permite tener los esquemas eléctricos y las tablas de diagnóstico directamente a pie de vehículo, facilitando el rastreo de fallas sin depender de una computadora de escritorio.
- Claridad en los Circuitos: La capacidad de hacer zoom de alta resolución en los diagramas de cableado es esencial. Podrás distinguir colores, números de terminal y rutas de circuitos con total nitidez, eliminando errores de diagnóstico electrónico.
- Búsqueda Rápida de Datos: Utiliza la función de búsqueda de texto de tu lector PDF para encontrar de inmediato las especificaciones de torque, los procedimientos de servicio o los códigos de error, ahorrándote tiempo valioso. 🔎
4. Compra Segura y Acceso Inmediato 🔒📧
Adquirir esta Guía de Diagnóstico Dodge Neon es un proceso diseñado para ser seguro y rápido:
- Seguridad en la Transacción: Completa tu compra con total confianza. Aceptamos pagos seguros a través de PayPal y las principales tarjetas de crédito/débito, garantizando la protección total de tus datos. 💳
- Entrega Rápida y Directa: Una vez que el pago es confirmado, el sistema genera el enlace de descarga y te lo envía directamente a tu correo electrónico.
- Descarga Inmediata Garantizada: Revisa tu bandeja de entrada; el Manual PDF estará listo para descargar en pocos minutos ⚡. Podrás guardarlo y usarlo en todos tus dispositivos sin restricciones.
- Soporte Dedicado: Si tienes alguna dificultad con la descarga o necesitas asistencia técnica relacionada con el contenido, nuestro equipo de soporte está disponible para ayudarte.
¿Necesitas ayuda para reparar tu vehículo? Encuentra manuales de taller para diferentes modelos y años en nuestra sección: Manuales Dodge
Visualización de ejemplos del manual de servicio Dodge Neon (1999).






¿Necesitas detalles? Escríbenos ahora y te brindaremos la información que buscas.
Deja un comentario