Manual Pro Dodge Neon (2000-2002): Taller Completo y Diagramas Eléctricos en PDF 🛠️💡
1. La Guía Experta para Servicio y Diagnóstico 🧑🔧
Si eres dueño de un Dodge Neon (modelos 2000-2002) o un técnico que necesita información precisa, este Manual Pro Digital es tu mejor inversión. Proporciona la documentación técnica de fábrica necesaria para ejecutar cada reparación, desde el mantenimiento estándar hasta el diagnóstico de sistemas complejos, con precisión profesional. Con esta guía, obtienes la fiabilidad que solo la información original del fabricante puede ofrecer.
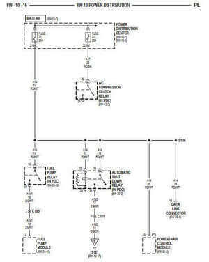
Este recurso es integral, cubriendo en detalle el motor 2.0L SOHC de 4 cilindros y 16 válvulas, y ambas transmisiones: la Automática de 3 velocidades (31TH) y la Manual de 5 velocidades (NV T350). Su valor central es la inclusión de todos los diagramas eléctricos y electrónicos detallados 🔌. Esta documentación es crucial para rastrear circuitos, conectores y diagnosticar fallas de la ECU, los sensores y los sistemas de confort.
2. Contenido Técnico y Accesibilidad del Manual 🖥️
A continuación, se detallan las características y la compatibilidad de este manual de taller digital:
| Característica | Detalle |
| Vehículo Cubierto | Dodge Neon, Años 2000 – 2002 |
| Motor Incluido | 2.0L (4 Cilindros 16 Válvulas SOHC) |
| Transmisiones Aplicables | Automática 3 Vel. (31TH) y Manual 5 Vel. (NV T350) |
| Contenido Esencial | Manual de Reparación, Procedimientos de Taller y Diagramas Eléctricos Completos |
| Lenguaje | Inglés 🇬🇧 (Documentación técnica original) |
| Formato de Entrega | PDF (Se envía por correo electrónico) |
| Compatibilidad Universal | Compatible con Windows, Mac, Android e iOS. Solo necesitas un lector de PDF. |
3. Máximo Desempeño Operativo con el Formato PDF 🚀
El formato PDF para este manual técnico optimiza tu trabajo en el taller o garaje de varias maneras:
- Consulta Instantánea y Móvil: Al ser un archivo digital, puedes tener el manual completo en tu tablet o smartphone 📱. Esto te permite acceder a cualquier procedimiento o diagrama a pie de vehículo, facilitando el trabajo práctico.
- Diagnóstico Eléctrico de Alta Resolución: La posibilidad de hacer zoom sin perder claridad en los diagramas eléctricos es fundamental para identificar colores de cables, números de pinout y trazar fallas en el circuito de manera precisa.
- Búsqueda Veloz y Eficiente: Utiliza la función de búsqueda de texto de tu lector PDF para encontrar de inmediato valores de torque, especificaciones de fluidos, o pasos de desmontaje sin la pérdida de tiempo que implica hojear un manual impreso. 🔎
4. Proceso de Adquisición Rápido y Totalmente Seguro 🔒📧
Obtener tu Manual Pro Dodge Neon es un proceso diseñado para la seguridad y la inmediatez:
- Pago Protegido: Completa tu compra con total confianza. Aceptamos PayPal y las principales tarjetas de crédito/débito, asegurando que tu información financiera está blindada. 💳
- Entrega Vía Email: Una vez que el pago es confirmado, el sistema genera el enlace de descarga y te lo envía directamente a tu correo electrónico.
- Acceso Inmediato Garantizado: Revisa tu bandeja de entrada; el Manual PDF estará listo para descargar en pocos minutos ⚡. Podrás guardarlo y usarlo en todos tus dispositivos sin restricciones.
- Asistencia Directa: Si tienes alguna dificultad con la descarga o necesitas ayuda con el contenido, nuestro equipo de soporte está disponible para brindarte la asistencia necesaria.
Manuales de taller a tu disposición. Descubre guías completas para reparar vehículos de todas las marcas y años. Explora nuestra sección: Manuales Dodge
Galería de imágenes del manual de servicio Dodge Neon (2000-2002)






¿Tienes preguntas? Estamos a un mensaje de distancia. ¡Contáctanos!
Deja un comentario